

第1页 / 共21页

第2页 / 共21页

第3页 / 共21页

第4页 / 共21页

第5页 / 共21页

第6页 / 共21页

第7页 / 共21页

第8页 / 共21页

第9页 / 共21页

第10页 / 共21页
试读已结束,还剩11页,您可下载完整版后进行离线阅读
THE END
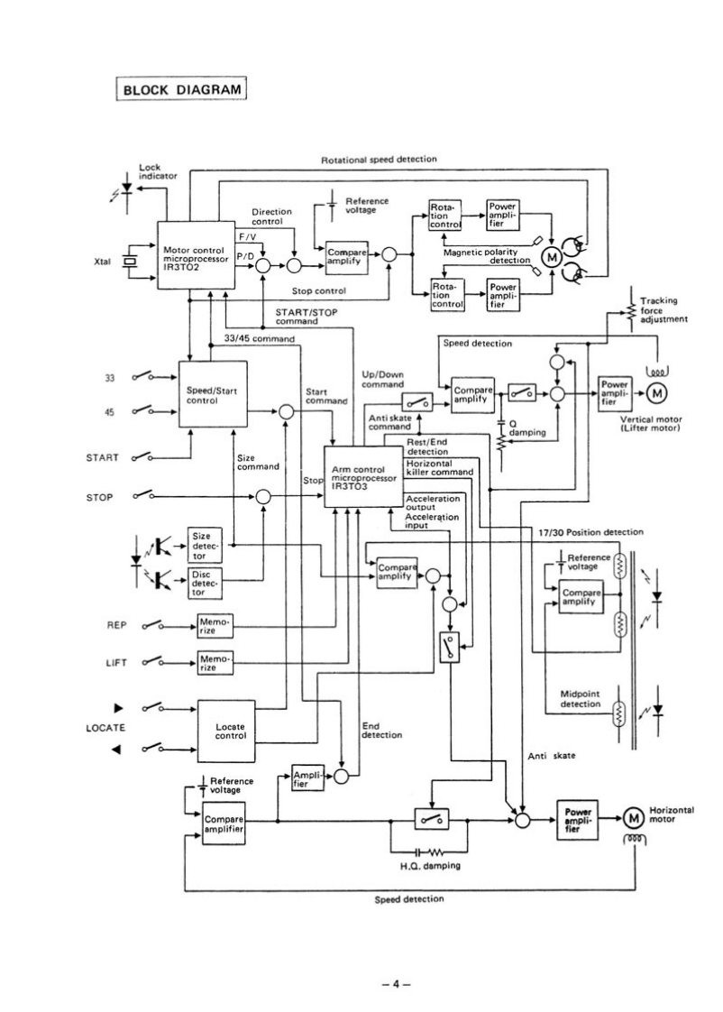
TABLE OF CONTENTSFEATURES…3SPECIFICATIONS ................................................3BLOCKDIAGRAM................................................又PART NAMES AND FUNCTION女EXPLANATION OF THE MICROPROCESSOR6~9ADJUSTMENT METHOD ..........................................10~11PARTS LIST OF EXPLODED VIEW...................................12EXPL0DEDVeW.…………13SCHEMATIC DIAGRAM ...........................................14CONNECTIONS OF P.W.BOARD.....................................15P.W.BOARD OF KU-5580 SERVO CONTROL UNIT ....................16P.W.BOARD OF KU-5010 MOTOR DRIVE UNIT ......................17PARTS LIST OF P.W.BOARD17FEATURES1.Microprocessor controlled,contactless servo7.Finely-finished wood cabinet designtonearmMirror-like finish.large cabinet with 85 mm in height,A unique microprocessor controlled,contactless servoand a new howling-proof insulator have been incorporatedtonearm ensures safe,easy to use automatic operation withinto the DP47F.no deterioration in sound quality.8.Newly-developed high-output MC cartridge2.Q-damping method (Dynamic servo tracer)(for U.K.model only)Low frequency resonance caused by the cartridge compli.The DP-47F is equipped with a high-output MC cartridgeance and the effective tonearm mass is electronicallyDL-80MC which has a superb tracing capability and resolu-damped both horizontally and vertically to effectivelytion and it allows a clear sound to be reproduced.suppress crosstalk and inter-modulation distortion.The9.Newly-developed cartridge(for Europeandynamic servo tracer maximizes the performance of themodel only)low mass tonearm and results in a record reproduction ofA high-output MC cartridge comparable to MM cartridges.excellent sound image with minimum noise and distortion.The DL-160 MC cartridge can be connected directly to3.Low mass straight armthe MM position of the amplifier.Having an outstanding tracing ability.this arm maximizesNote:.U.S.,Canadian Asian models do not includethe performance of the high compliance cartridge to thecartridge.full extent.Even with the most up-to-date high grade.U.K.model includes the DL-80 MC cartridge.records,its tracing ability is excellent.4.Locate functionJust by pressing the locate button,the tone-arm is movedto any desired location where the record play is started.5.Record size detector and automatic speedselectorThe record size and the speed are automatically set,whenplaying 12 inch records (33 1/3 rpm)or 7 inch records(45 rpm)in the automatic play mode.The unit providesa safety measure which causes the tonearm to stop andreturn to the arm rest to protect the stylus tip when thereis no record on the turntable,even if the start button ispressed.6.DENON quartz on bi-directional servoBi-directional servo and electronic braking system havebeen added to the combination of the magnetic recordingdetector and the quartz lock to ensure a stable perform-ance of ratation and a sharp operation.
请登录后查看评论内容