Denon-DP52F-tt-维修说明书手册含电器原理图

Denon-DP52F-tt-维修说明书手册含电器原理图-找手册网
Denon-DP52F-tt-维修说明书手册含电器原理图
此内容为付费资源,请付费后查看
1921
立即购买
您当前未登录!建议登陆后购买,可保存购买订单
付费资源

第1页 / 共28页

第2页 / 共28页

第3页 / 共28页

第4页 / 共28页

第5页 / 共28页

第6页 / 共28页

第7页 / 共28页

第8页 / 共28页

第9页 / 共28页

第10页 / 共28页
试读已结束,还剩18页,您可下载完整版后进行离线阅读
THE END
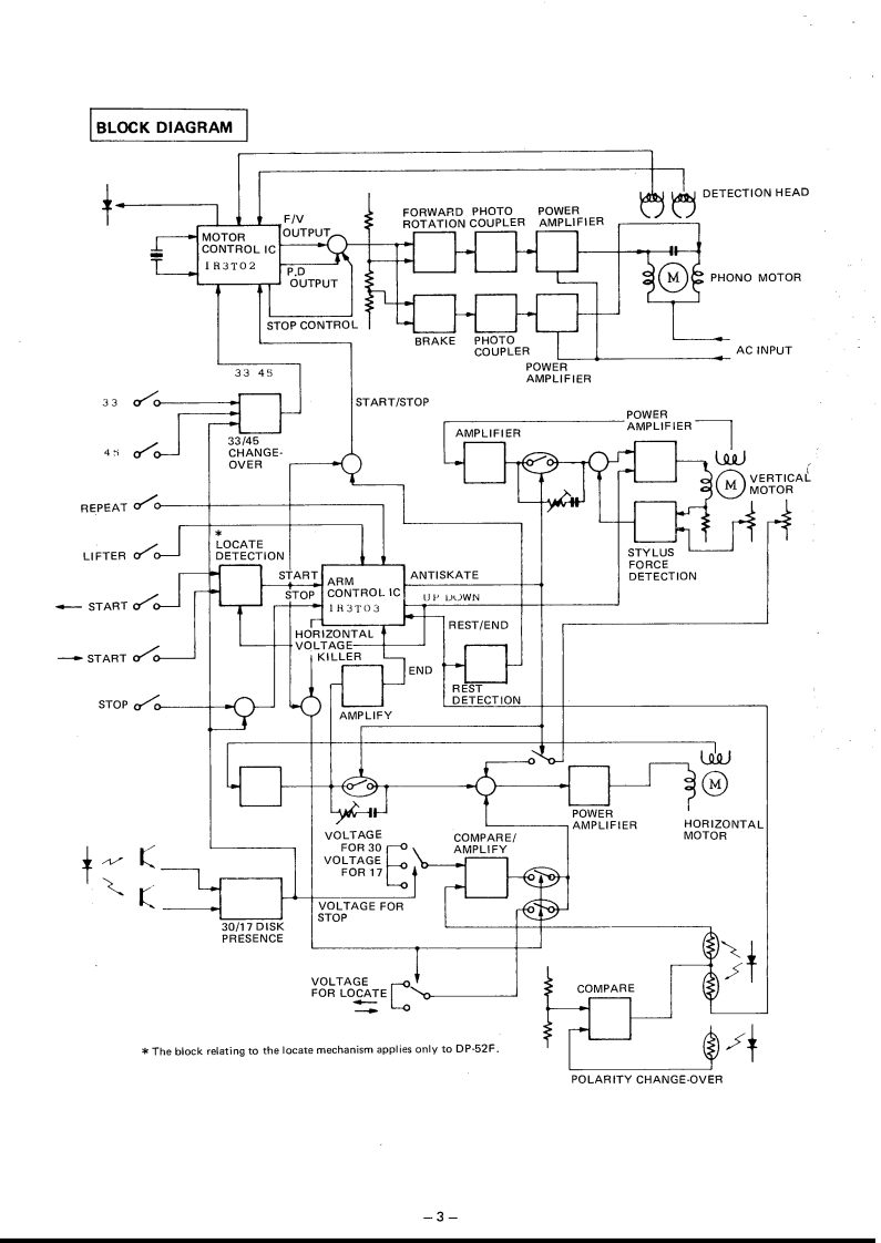
ENONHi Fi ComponentSERVICE MANUALFULLY AUTOMATICDIRECT DRIVE TURNTABLE SYSTEMMODEL DP-51F/52F SERIESU.S.and Canadian models do not include cartridge.NIPPON COLUMBIA CO.,LTD.
喜欢就支持一下吧
评论 抢沙发

请登录后发表评论

    请登录后查看评论内容