

第1页 / 共37页

第2页 / 共37页

第3页 / 共37页

第4页 / 共37页

第5页 / 共37页

第6页 / 共37页

第7页 / 共37页

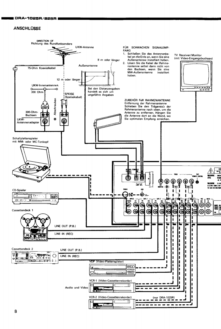
第8页 / 共37页

第9页 / 共37页

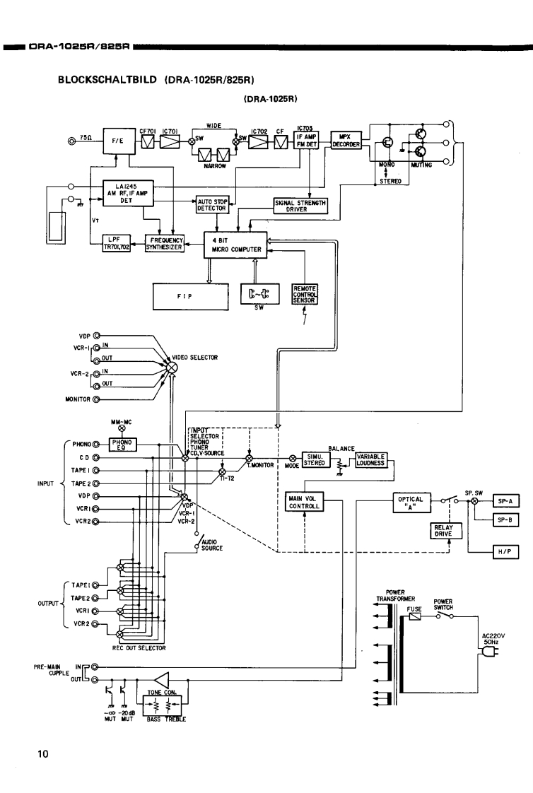
第10页 / 共37页
试读已结束,还剩27页,您可下载完整版后进行离线阅读
THE END
DENONHi-Fi-MW/UKW-StereoreceiverWARTUNGSANLEITUNGFur die Europa-.und AsienTYPDRA-1025R/825RMW/UKW STEREORECEIVER*DRA-1025RDRA-826RINHALTSVERZEICHNISTECHNISCHE DATEN,,·,·:…·…···BEZEICHNUNG DER TEILE..........................................4.5ZERLEGEN6,7ANSCHLOSSE........BLOCKSCHALTBILD (DRA-1025R/825R)............10,11JUSTIERUNG....12.13HALBLEITER...···.··,··,···.14,15PLATINENVERSTARKERBAUGRUPPE1U-1640(DRA-1025R).·,,····6VERSTARKERBAUGRUPPE1U-1650(DRA825R).,.·,·.:········:17TUNERBAUGRUPPE 1U-1647 (DRA-1025R)18TUNERBAUGRUPPE 1U-1646 (DRA-825R)......。”+4。…9…”4,…4919NETZTEIL-U.ENTZERRERBAUGRUPPE 1U-1648 (DRA-1025R/825R)20TEILELISTE ZU DEN PLATINENVERSTARKERBAUGRUPPE 1U-1640 (DRA-1025R)21,2VERSTARKERBAUGRUPPE1U-1650B(DRA-825R)....:·,·.···22TUNERBAUGRUPPE 1U-1647 (DRA-1025R)..............22,2TUNERBAUGRUPPE1U-1646B(DRA-825R),··24NETZTEIL-U.ENTZERRERBAUGRUPPE 1U-1648 (DRA-1025R)24.2NETZTEIL-U.ENTZERRERBAUGRUPPE 1U-1648D (DRA-825R)25EXPLOSIONSZEICHNUNG VON CHASSIS UND GEHAUSE UND TEILELISTETEILELISTE ZUR EXPLOSIONSZEICHNUNG (DRA-1025R/825R AUSFOHRUNGEUROPA.SCHWARZ).···,...25,26TEILELISTE ZUR EXPLOSIONSZEICHNUNG (DRA-1025R/825R,AUSFOHRUNG EUROPA,GOLD)....26TEILELISTE ZUR EXPLOSIONSZEICHNUNG (DRA-825R AUSFOHRUNG ASIEN,SCHWARZ)..。。。…。。。·,,。。。””2EXPLOSIONSZEICHNUNG VON CHASSIS UND GEHAUSE(DRA-1025R/825R).............7VERDRAHTUNGSZEICHNUNG(DRA-1025R/825R)..,......·..,.·,··,·28SCHALTPLAN(DRA-1025R),,,,,,..,..,..·....··...29,30SCHALTPLAN (DRA-825R)...31,32NIPPON COLUMBIA CO.,LTD.
请登录后查看评论内容