

第1页 / 共18页

第2页 / 共18页

第3页 / 共18页

第4页 / 共18页

第5页 / 共18页

第6页 / 共18页

第7页 / 共18页

第8页 / 共18页

第9页 / 共18页

第10页 / 共18页
试读已结束,还剩8页,您可下载完整版后进行离线阅读
THE END
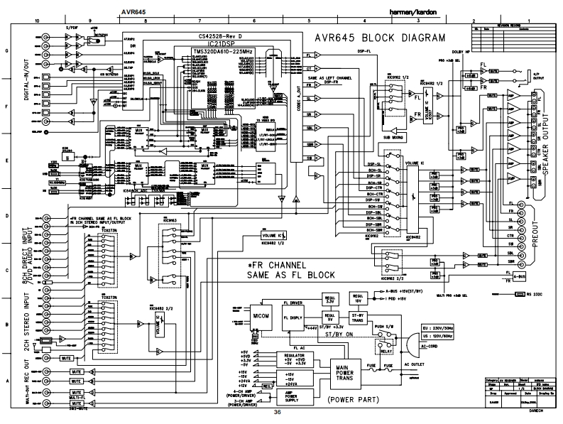
AVR645harman/kardon3■S/CS42528-Rev DAVR645 BLOCK DIAGRAMIC21DSPT1M5320DA610-225MHzDEP-FLmT>VFRDP-CIR南曲阳阳阳雨3C TUOUIPC999999999能c4n1/7日0000000*FR CHANNELSAME AS FL BLOCK落45T/时就5时43塘447USH 5/1:20N/3I组YNFL NAc-corD4444能良LA精细期燃锅MUTE(POWER PART)36
请登录后查看评论内容