

第1页 / 共34页

第2页 / 共34页

第3页 / 共34页

第4页 / 共34页

第5页 / 共34页

第6页 / 共34页

第7页 / 共34页

第8页 / 共34页

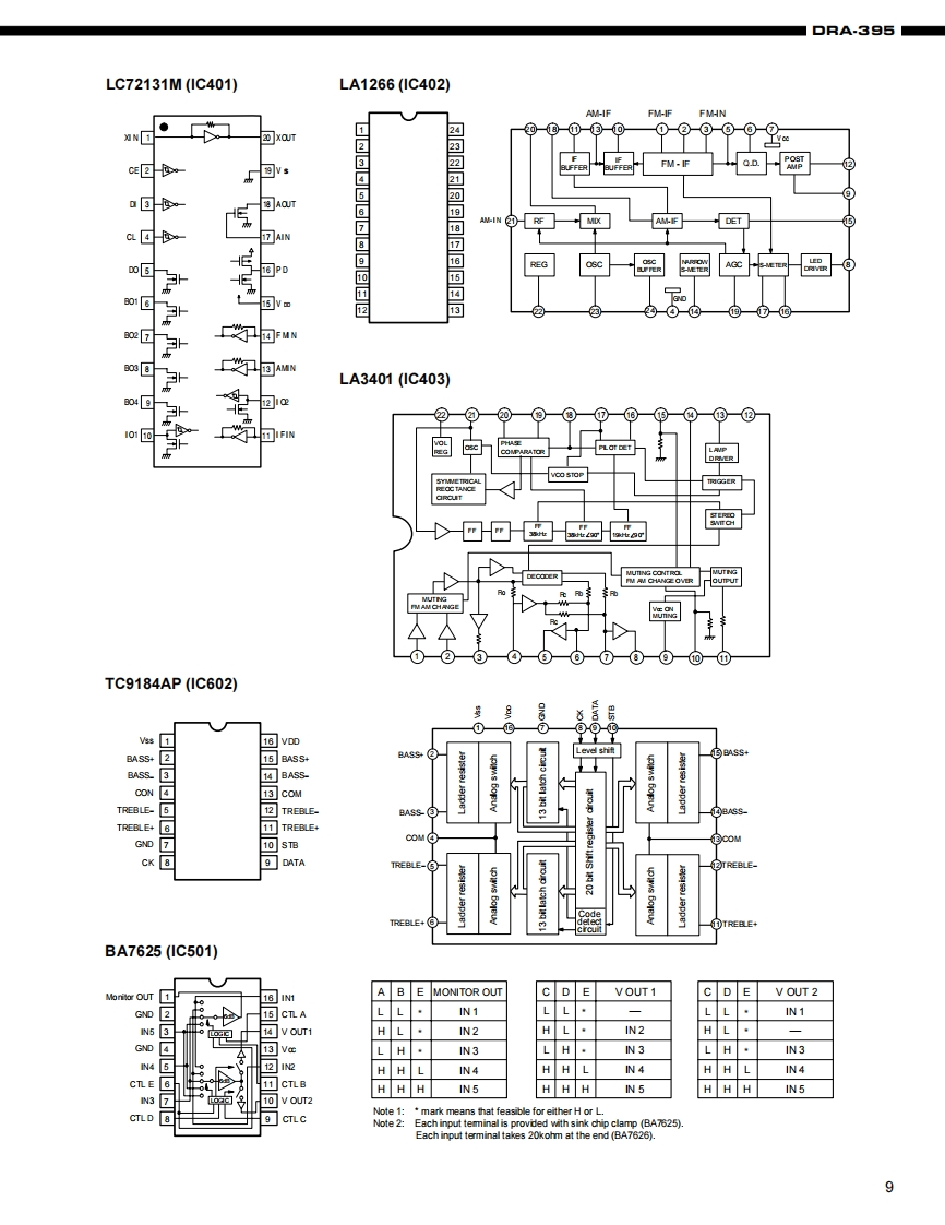
第9页 / 共34页

第10页 / 共34页
试读已结束,还剩24页,您可下载完整版后进行离线阅读
THE END
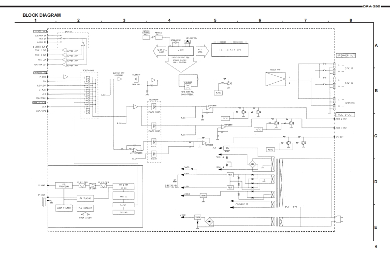
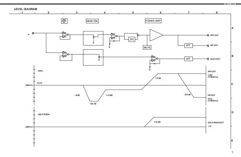
DENONFor U.S.A.Canada modelHi-Fi AM-FM Stereo ReceiverSERVICE MANUALMODEL DRA-395AM-FM STEREO RECEIVER6686888DENONMu RoomDUD8806马百马台白百台-TABLE OF CONTENTS-SAFETY PRECAUTIONS.2PARTS LIST OF PACKING ACCESSORIES ........27SPECIFICATIONS.2WRING DIAGRAM...........28DISASSEMBLY....3SCHEMATIC DIAGRAMS.29-34ADJUSTMENT......4.5(1/6)INPUT UNI......29BLOCK DIAGRAM6(2/6)VOLUME UNIT30LEVEL DIAGRAM...........7(3/6)MAIN UNIT.....31SEMICONDUCTORS.......8-12(4/6)MIDEO UNIT32PRINTED WIRING BOARDS..….1317CONNECTOR UNIT.32NOTEFOR PARTS LIST18(5/6)FRONT UNIT.33PARTS LIST OF P.W.B.UNIT ASS'Y...19-24SWITCH UNIT..........33EXPLODED VIEW............25POWER SWHP UNIT.33PARTS LIST OF EXPLODED VIEW6(6/6)TUNER UNIT......34PACKING VIEW27Some illustrations using in this service manual are slightly different from the actual set.NIPPON COLUMBIA CO,LTD.14-14.AKASAKA 4-CHOME.MINATO-KU.TOKYO 107-8011 JAPANTelephone:03(3584)8111X0118842N回0108
请登录后查看评论内容