

第1页 / 共37页

第2页 / 共37页

第3页 / 共37页

第4页 / 共37页

第5页 / 共37页

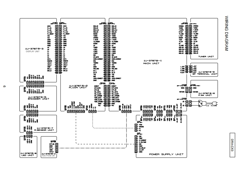
第6页 / 共37页

第7页 / 共37页

第8页 / 共37页

第9页 / 共37页

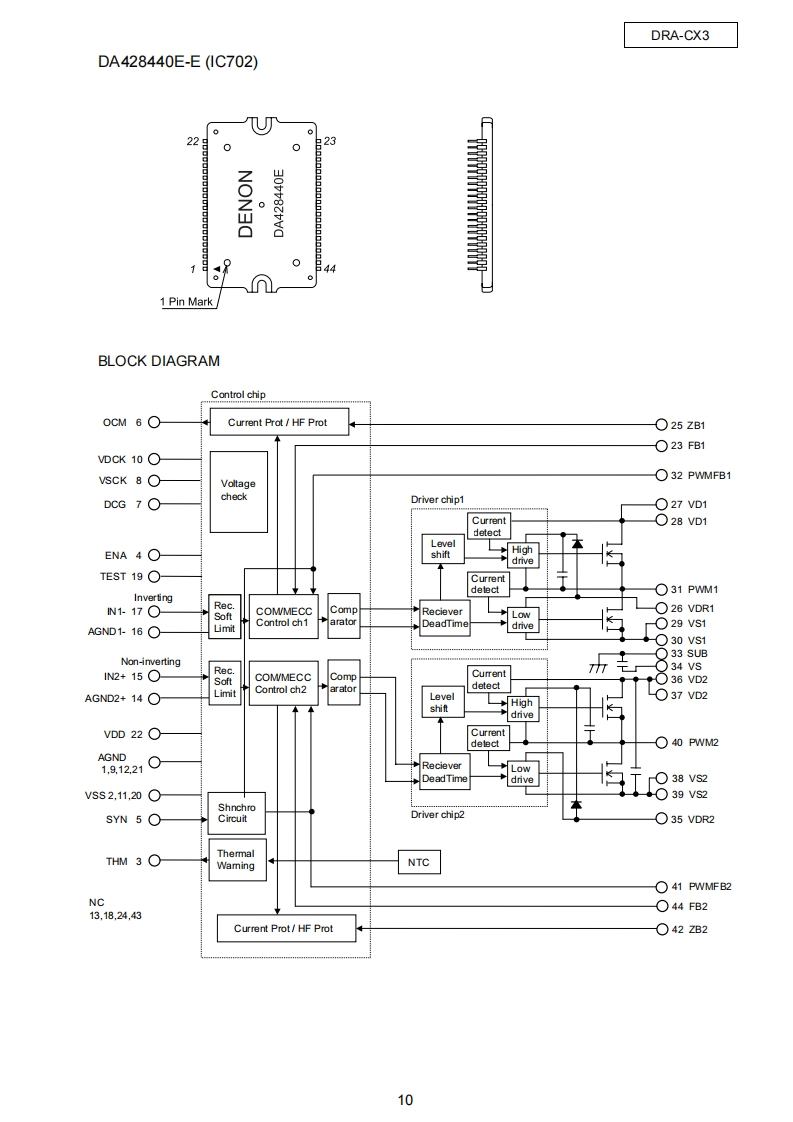
第10页 / 共37页
试读已结束,还剩27页,您可下载完整版后进行离线阅读
THE END
DENONFor Europe modelSERVICE MANUALVer.2PleaserefertotheMODEL DRA-CX3MODIFICATION NOTICE.AM-FM STEREO RECEIVER注意圹一七又在方乙存前、乙)少一上又又二1了儿龙必寸方蔬秋<龙苍。本機志、火災、感電、付扩春对寸石安全性在確保寸石大协忙、志求芯东存配嘘在方乙在一(方少、左法的体「電氨用品安全法」无屯上可老、所定)許可卷得(製造志九()ま寸。徙(廿一上又在訪乙存際:、乙九5)安全性雜持志九石、乙)少一上又マ二ュ了記載志九(小石注意事項卷必寸书守)〈龙这。●For purposes of improvement,specifications and●本機仕横性能改良)大边、予告存〈变更寸石乙匕design are subject to change without notice.苏扬求$。●桶修用性能部品)保有期間休、製造打切後8年C寸。●Please use this service manual with referring to修理)際:、必寸取极脱明苦卷参照)上、作業左行一(the operating instructions without fail.(龙过。Some illustrations using in this service manual are●本文中忙使用L(石亻与又卜休、脱明)都合上現物slightly different from the actual set.七多少異在石場合标扬)素寸。DENONTOKYO.JAPANDenon Brand Company,D&M Holdings Inc.X0314V.02 DE/CD图0703
请登录后查看评论内容