

第1页 / 共24页

第2页 / 共24页

第3页 / 共24页

第4页 / 共24页

第5页 / 共24页

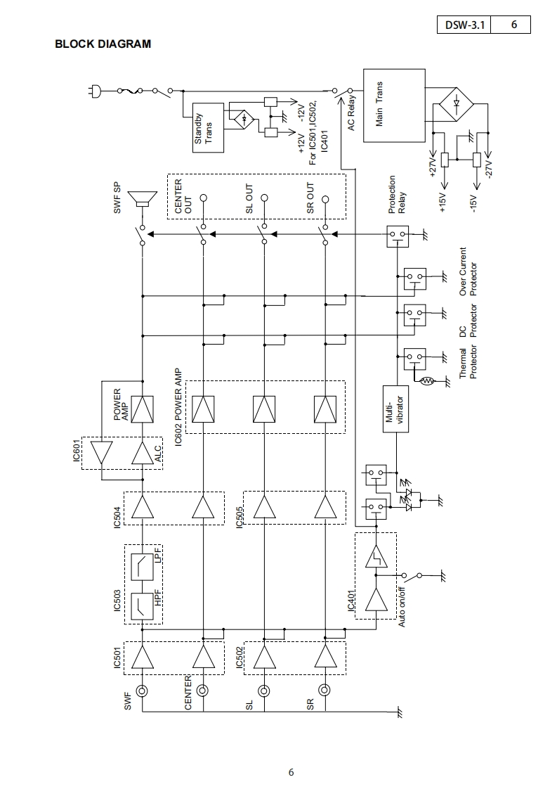
第6页 / 共24页

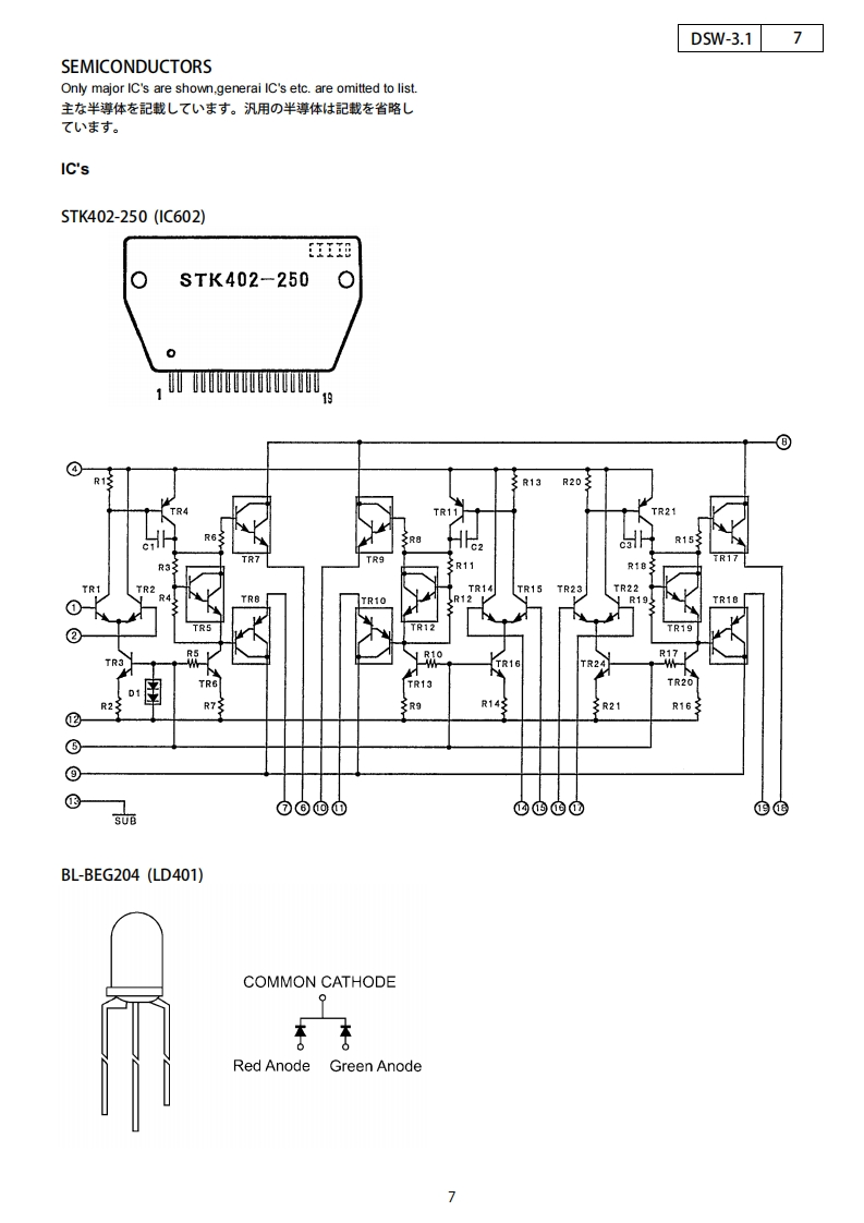
第7页 / 共24页

第8页 / 共24页

第9页 / 共24页

第10页 / 共24页
试读已结束,还剩14页,您可下载完整版后进行离线阅读
THE END
DENONFor Japan modelSERVICE MANUALVer.1MODELDSW-3.1SUPER WOOFER注意圹一上又在乙春前忙、乙)少一上又マ二1了儿龙必寸ò蔬〈龙志。本機太、火災、感電、付存亿对寸石安全性左確保寸石上忙、古未过去存配虚苍方乙存一(方以、东左法的体「電氨用品安全法(屯上可老、所定)許可在得(製造志九(訪)寸。徙?(廿一上入卷右乙存際体、乙九5)安全性雜持志九石太、乙)寸一上又又二1了記載志九乙U石注意事項在必寸守)〈龙志。For purposes of improvement,specifications and●本機)仕横柱性能改良)龙协、予告在〈变更寸石乙上design are subject to change without notice.小态李寸。●補修用性能部品)保有期間、製造打切後8年C寸。●Please use this service manual with referring to●修理際体、必式取极脱明瞎卷参照)上、作業卷行一(the operating instructions without fail.(龙t。●Some illustrations using in this service manual are●本文中忙使用L乙石亻ラ又卜体,脱明)都合上現物slightly different from the actual set.上多少異在石場合标扬)丰寸。DENON,Ltd.16-11.YUSHIMA 3-CHOME.BUNKYOU-KU.TOKYO 113-0034 JAPANS-1132W.01DECD图0307
请登录后查看评论内容