

第1页 / 共31页

第2页 / 共31页

第3页 / 共31页

第4页 / 共31页

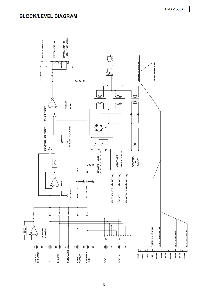
第5页 / 共31页

第6页 / 共31页

第7页 / 共31页

第8页 / 共31页

第9页 / 共31页

第10页 / 共31页
试读已结束,还剩21页,您可下载完整版后进行离线阅读
THE END
DENONFor Europe,ChinaJapan modelSERVICE MANUALVer.1MODEL PMA-1500AEINTEGRATED AMPLIFIER注意圹一七又在茄乙存前、乙)圹一七又マ二ュ了儿在必寸方読〈龙苍八。本機志、火災、感電、付存!对寸石安全性在確保寸石左协亿、志求东存配康在方乙在一(方少、东左法的体「電氨用品安全法」无屯上可老、所定)許可卷得(製造志九訪)ま寸。徙乙廿一上又在訪乙存際体、乙九5)安全性摊持志九石太、乙)圹一上又マ二ュ了儿記載志九(小石注意事項卷必寸书守)〈龙这。●For purposes of improvement,specifications and●本機仕横性能改良)大边、予告存〈变更寸石乙匕design are subject to change without notice.苏)求$。●桶修用性能部品)保有期周休、製造打切後8年℃寸。●Please use this service manual with referring to●修理)際:、必寸取极脱明苦左参照上、作業左行the operating instructions without fail.(龙过。Some illustrations using in this service manual are●本文中(使用L(石亻与又卜仗、脱明)都合上現物slightly different from the actual set七多少異在高場合尔杨)东寸。DENONTOKYO .JAPANDenon Brand Company.D&M Holdings Inc.X0250 V.01 DE/CDM]0508
请登录后查看评论内容