HarmanKardon-Citation16-pwr-电气原理图手册

HarmanKardon-Citation16-pwr-电气原理图手册-找手册网
HarmanKardon-Citation16-pwr-电气原理图手册
此内容为付费资源,请付费后查看
1921
付费资源

第1页 / 共14页

第2页 / 共14页

第3页 / 共14页

第4页 / 共14页

第5页 / 共14页

第6页 / 共14页

第7页 / 共14页

第8页 / 共14页

第9页 / 共14页

第10页 / 共14页
试读已结束,还剩4页,您可下载完整版后进行离线阅读
THE END
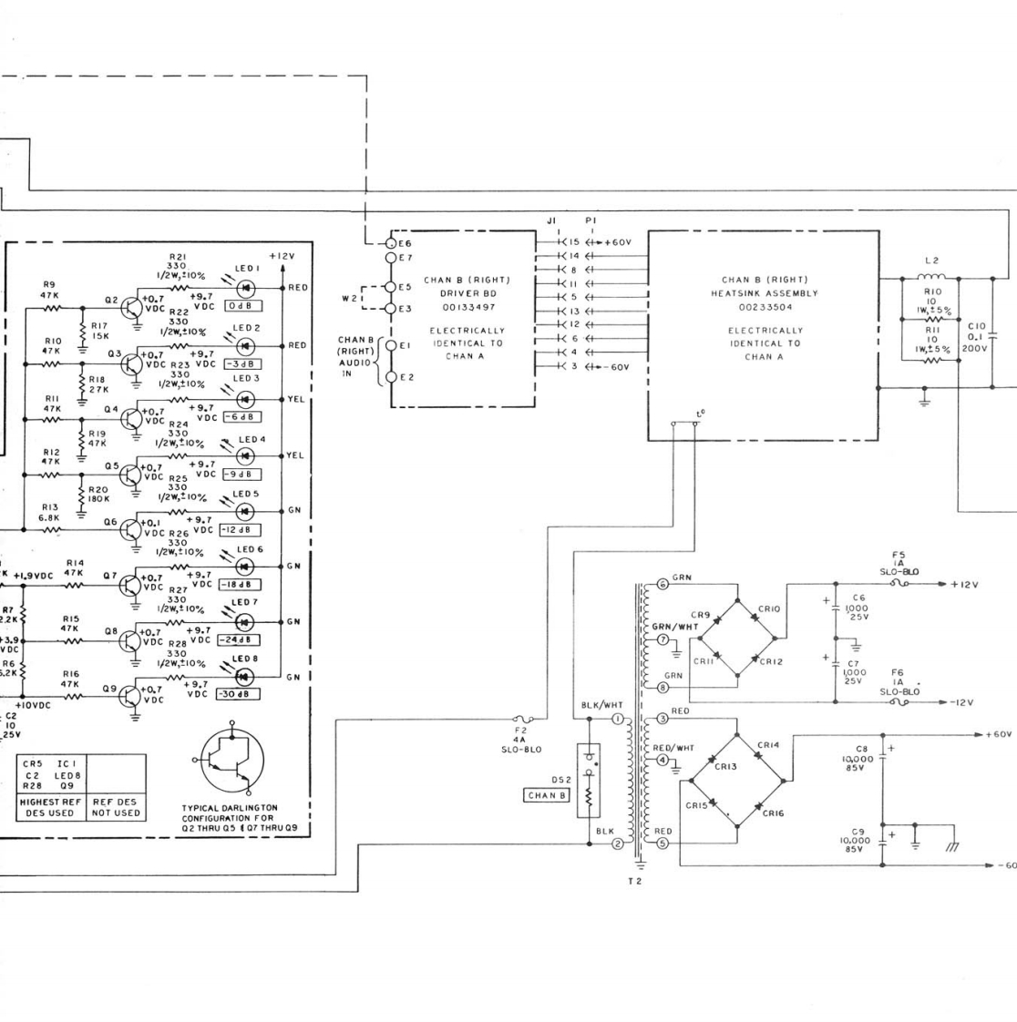
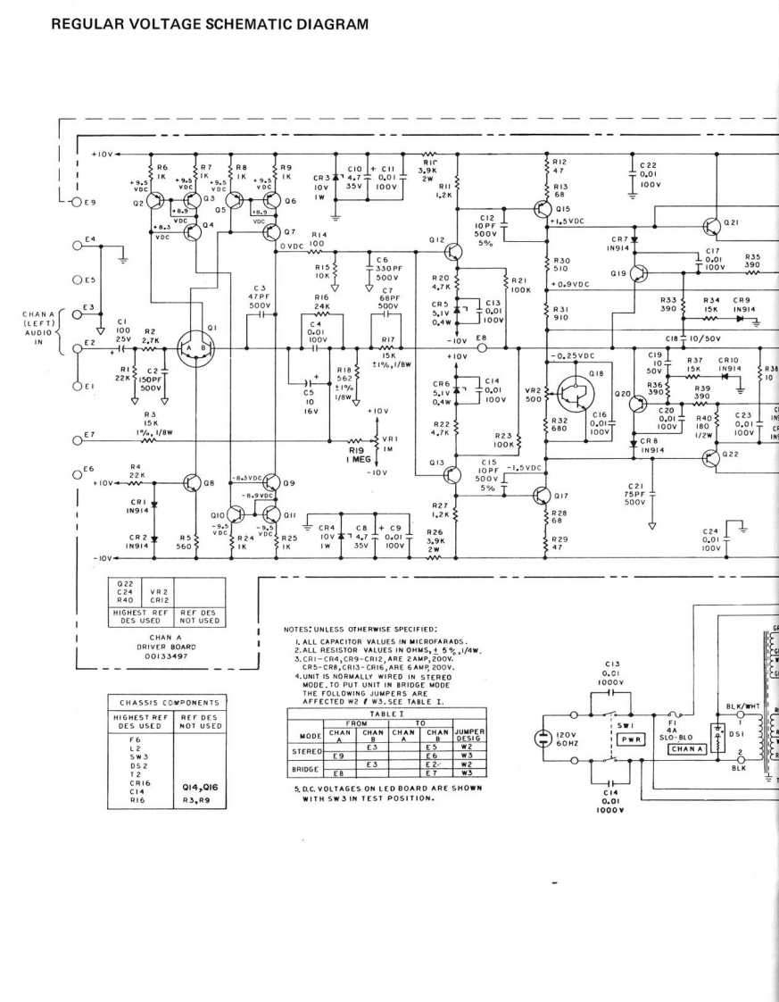
CHANNEL ASTEREO MODECHANNEL BW26400133497(AsSY)t400I33497(AsSY242A05140W3BRIDGE MODECHANNEL ACHANNEL B-W2t00133497(455Y)+00t33497(A5Y之0334FIGURE IOUTPUT-BANANAP LUG0RECEPTACLEFIGURE II9
喜欢就支持一下吧
评论 抢沙发

请登录后发表评论

    请登录后查看评论内容