HarmanKardon-Citation22-pwr-电气原理图手册

HarmanKardon-Citation22-pwr-电气原理图手册-找手册网
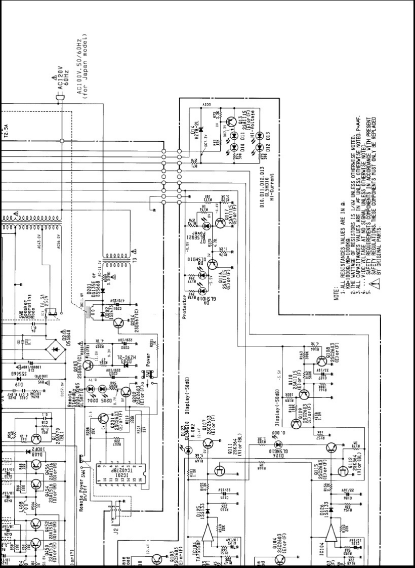
HarmanKardon-Citation22-pwr-电气原理图手册
此内容为付费资源,请付费后查看
1921
付费资源

第1页 / 共4页

第2页 / 共4页

第3页 / 共4页

第4页 / 共4页
已完成全部阅读,共4
THE END
超型9生47实Y289(457)'TOV IN38800 9NI701题0782102篇器量器1-05器28塑甜器济讓餐A91/0红茶7t.SIZH3559AD'SIAB'CI.05
喜欢就支持一下吧
评论 抢沙发

请登录后发表评论

    请登录后查看评论内容