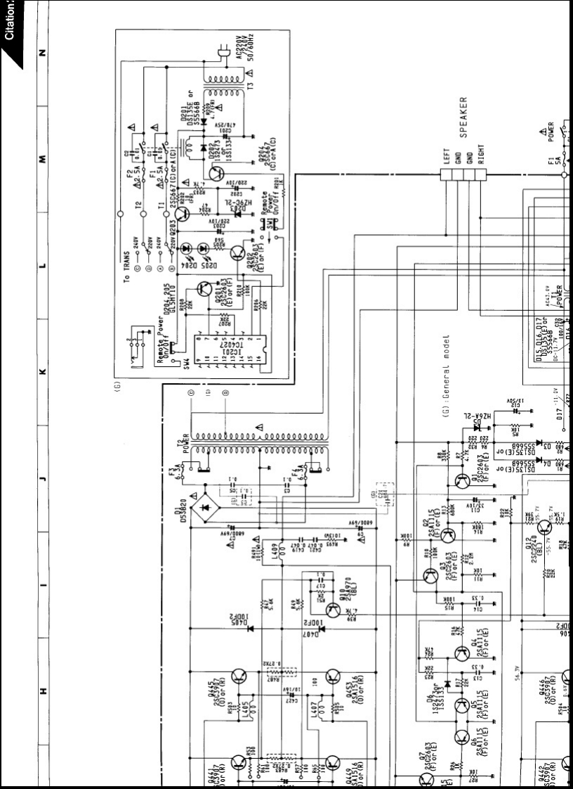
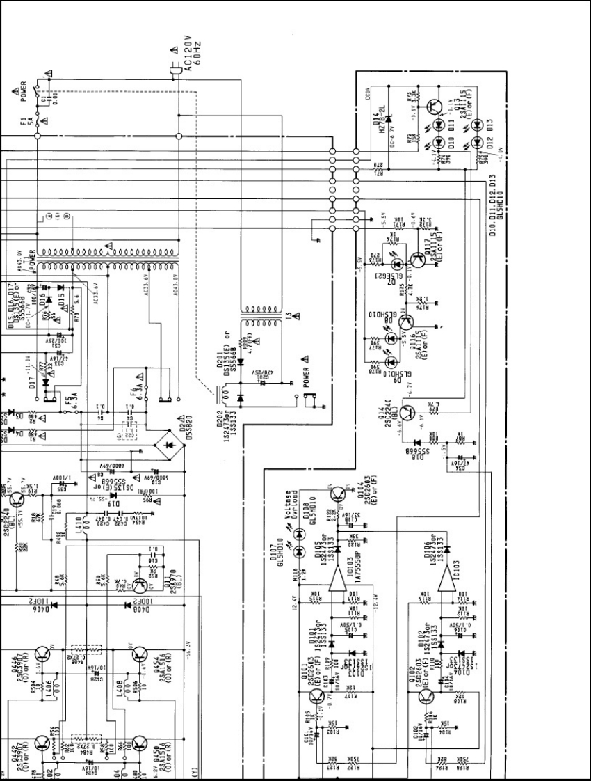
HarmanKardon-Citation24-pwr-电气原理图手册

HarmanKardon-Citation24-pwr-电气原理图手册-找手册网
HarmanKardon-Citation24-pwr-电气原理图手册
此内容为付费资源,请付费后查看
1921
付费资源

第1页 / 共4页

第2页 / 共4页

第3页 / 共4页

第4页 / 共4页
已完成全部阅读,共4
THE END
屢器2900⊙卡IIdA2'95篇器器最薇治荔世会会象篇邏12A91Ea0t(9129n
喜欢就支持一下吧
评论 抢沙发

请登录后发表评论

    请登录后查看评论内容