

第1页 / 共443页

第2页 / 共443页

第3页 / 共443页

第4页 / 共443页

第5页 / 共443页

第6页 / 共443页

第7页 / 共443页

第8页 / 共443页

第9页 / 共443页

第10页 / 共443页
试读已结束,还剩433页,您可下载完整版后进行离线阅读
THE END
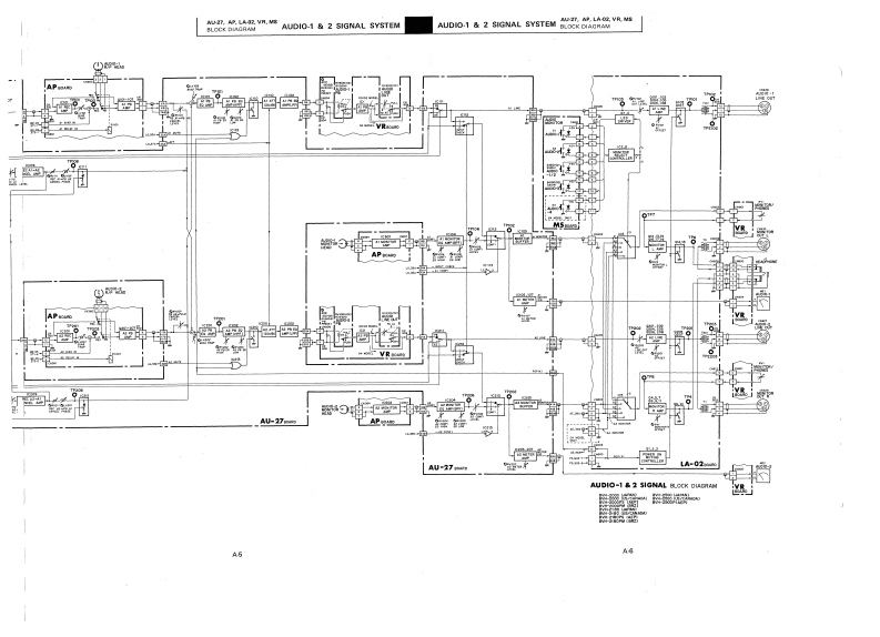
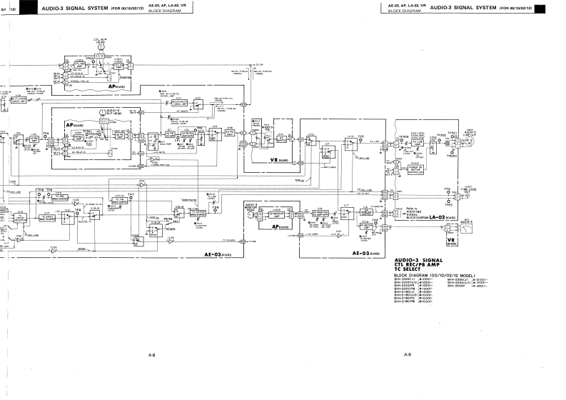
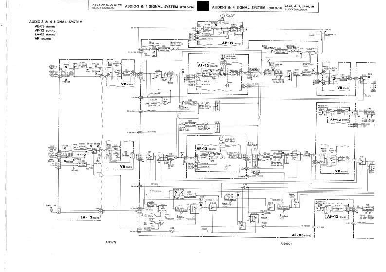
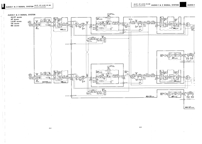
SONYVIDEOCORDERBVH-2000PSBVH-2180PSSONY翻BVH-2000PSavailable.Le panneau de controle des fonction,les panneaux lateraux et les poignees prisentes surcette photographie sont disponibles commeequipements en option.8aienheg6ab2ebu8eregiee89eai6na8Rlleferbares Zubohor.OPERATION AND MAINTENANCE MANUALVolume 2 3rd Edition (Revised 9)BVH-2000PS Serial No.33401 and HigherBVH-2180PS Serial No.10001 and Higher
请登录后查看评论内容