HarmanKardon-Citation7_0-avr-电气原理图手册

HarmanKardon-Citation7_0-avr-电气原理图手册-找手册网
HarmanKardon-Citation7_0-avr-电气原理图手册
此内容为付费资源,请付费后查看
1921
付费资源

第1页 / 共51页

第2页 / 共51页

第3页 / 共51页

第4页 / 共51页

第5页 / 共51页

第6页 / 共51页

第7页 / 共51页

第8页 / 共51页

第9页 / 共51页

第10页 / 共51页
试读已结束,还剩41页,您可下载完整版后进行离线阅读
THE END
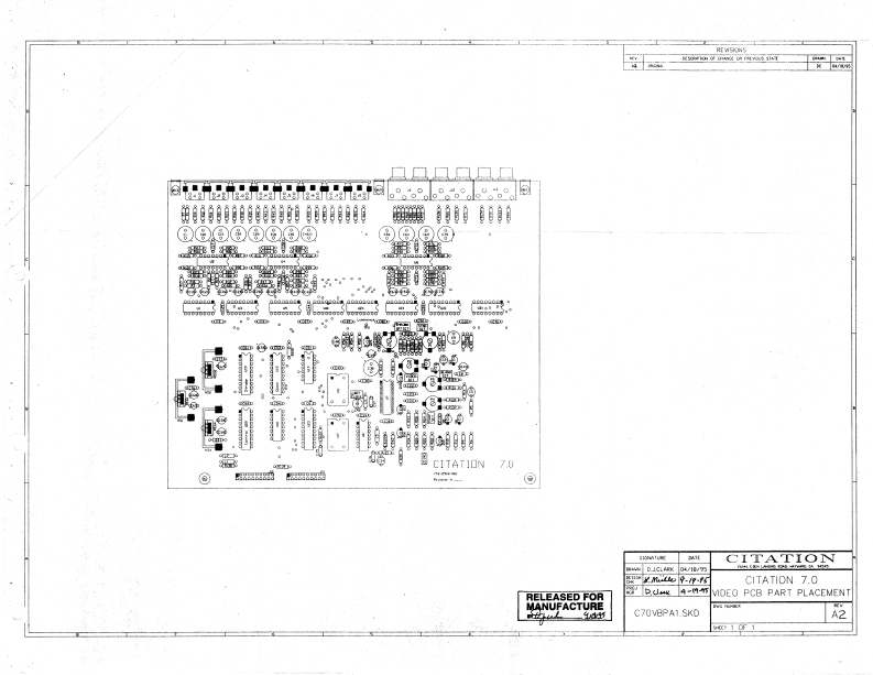
口只,@园的6030008900010目90目目月08目8⑧©⑧⑧⑧⑧⑧e⑧G)CITATION7.02210CITATIONDJCL04/I防CITATION 7.0RELEASED FORDEO PCB PART PLACEMENT空UFACTU进C70VBPA1.SKDA2
喜欢就支持一下吧
评论 抢沙发

请登录后发表评论

    请登录后查看评论内容