

第1页 / 共30页

第2页 / 共30页

第3页 / 共30页

第4页 / 共30页

第5页 / 共30页

第6页 / 共30页

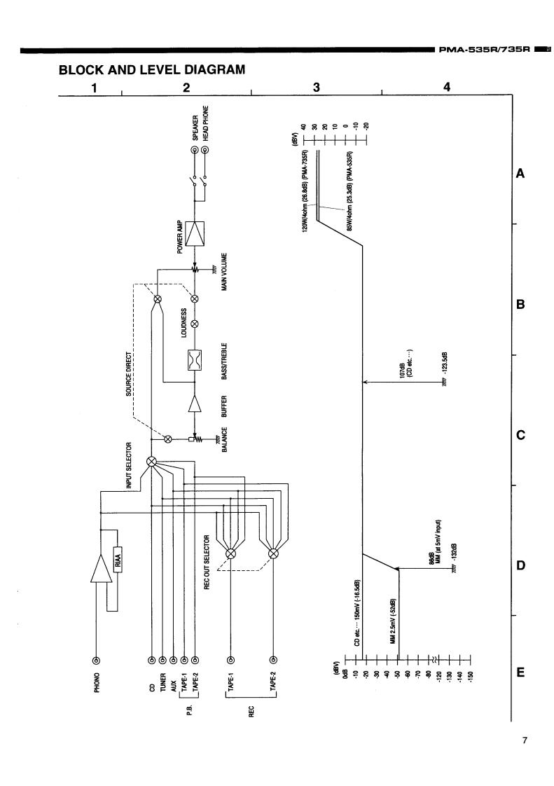
第7页 / 共30页

第8页 / 共30页

第9页 / 共30页

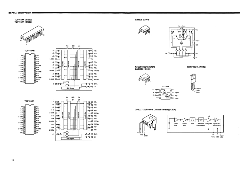
第10页 / 共30页
试读已结束,还剩20页,您可下载完整版后进行离线阅读
THE END
DENONHi-Fi Integrated Stereo AmplifierSERVICE MANUALMODEL PMA-535R/735RINTEGRATED STEREO AMPLIFIERPMA-535RPMA-735R一TABLE OF CONTENTSSAFETY PRECAUTIONS2DISASSEMBLY..3-6BLOCK AND LEVEL DIAGRAMADJUSTMENT78SEMCONDUCTORs.PRINTED WIRING BOARD12~14NOTE FOR PARTS LIST.........15PARTS LIST OFP.WBOARD16-21PARTS LIST OF EXPLODED VIEW(PMA-535R)22EXPLODED VIEW (PMA-535R)…23EXPLODED VIEW (PMA-735R).…24PARTS LIST OF EXPLODED VIEW(PMA-735R)..5WIRING DIAGRAM....SCHEMATIC DIAGRAM…2627,28Some illustration using in this service manual is slightly different from the actual set.NIPPON COLUMBIA CO.,LTD.
请登录后查看评论内容