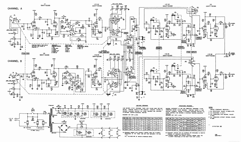
HarmanKardon-CitationIV-pre-电气原理图手册找手册网29天前发布关注私信2.99MB1页022HarmanKardon-CitationIV-pre-电气原理图手册此内容为付费资源,请付费后查看¥19¥21黄金会员免费钻石会员免费登录购买付费资源 第1页 / 共1页 已完成全部阅读,共1页 THE END哈曼卡顿/飞利浦 文本预览 2uwcs性na7eeCHANNEL A出是aCHANNEL B=播器了4TaF相转安 查看更多 收起部分 喜欢就支持一下吧收藏
请登录后查看评论内容