

第1页 / 共16页

第2页 / 共16页

第3页 / 共16页

第4页 / 共16页

第5页 / 共16页

第6页 / 共16页

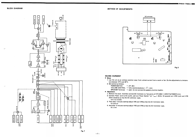
第7页 / 共16页

第8页 / 共16页

第9页 / 共16页

第10页 / 共16页
试读已结束,还剩6页,您可下载完整版后进行离线阅读
THE END
DENONHi-Fi Integrated AmplifierSERVICE MANUALMODEL PMA-700VSOLID STATEINTEGRATED AMPLIFIERTABLE OF CONTENTSSPECIFICATIONSNAMES AND FUNCTIONS OF PARTS...................................................3REMOVAL OF EACH SECTION .......................................................C0 NNECTIONS…5BL0 CK DIAGRAM…METHOD OF ADJUSTMENTS..........................................................7SEMICONDUCTORS...............................PPRINTED WIRING BOARD PATTERNS AND PARTS LISTETC9053B EQ.&P.S UNIT..........................................................9ETC9052B INPUT POWER UNIT ..................................................0WIRING DIAGRAM..·14SCHEMATIC DIAGRAM...........EXPLODED VIEW OF CHASSIS AND CABINET PARTS LIST.............................18NIPPON COLUMBIA CO.,LTD20
请登录后查看评论内容