Sony-GB7-Trackball-维修手册

Sony-GB7-Trackball-维修手册-找手册网
Sony-GB7-Trackball-维修手册
此内容为付费资源,请付费后查看
1921
付费资源

第1页 / 共5页

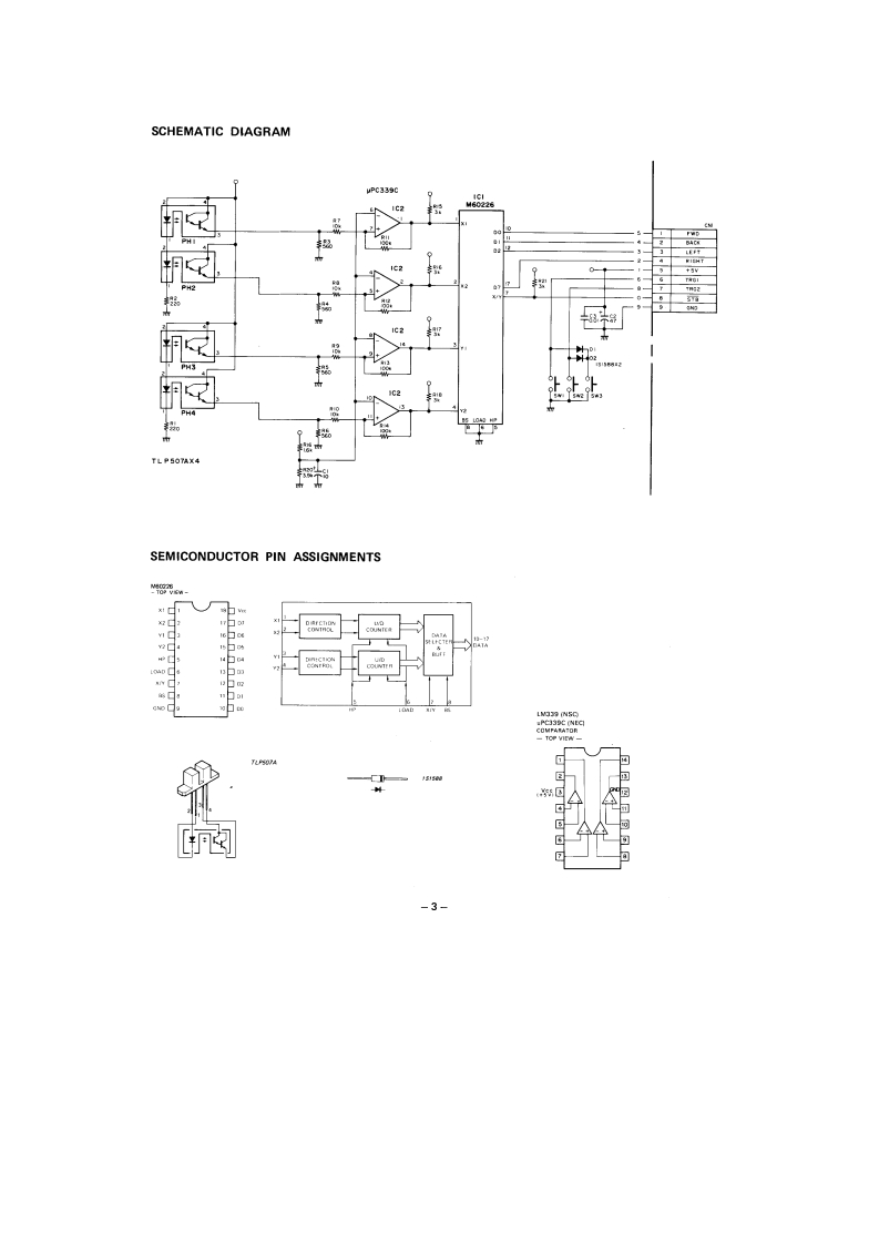
第2页 / 共5页

第3页 / 共5页

第4页 / 共5页

第5页 / 共5页
已完成全部阅读,共5
THE END
GB-7SERVICE MANUAL5②3④▣This is a Track Ball to be used as a dataice for the softwaras which cacDoplayed and operated on the TV.Use this Track Ball with a computerhaving the 3 mark.is a trademark of MicrosoftCorporation.Read these instructions thoroughlybeforeusinghs】operate softyread the software manual as wellPARTS IDENTIFICATIONPRECAUTIONSAND CONNECTION.Do not carry or disconnect the unit by1 Ballng or holding the unit's cord.包White buttonDo not drop灯eunitor bump it包Orange button·2aaa94 Red buttonthe right side,and the buttons onthe left side.It will not work pro-同8 nth Trackthe A (or No.1)or B (or No.2)joystickperly if you reverse the positions.connector on your computer.accord-.Always make sure your hands areing to the software used with thisclean when using the Track Ball.IfTrack Ball For the information aboutthe ball becces dirty,it will notwhere to insert the plug.read thesoftwardryrack Ballis not utillzed for sTrackcloth.Do not use any type of solvent.such as thinner or benzine,whichmight damage the finish.0ea0m7te1ace3an6e8connected to the computer.Remove the Track Ball if youoperate this type of software.TRACK BALLSONYScanned and converted to PDF by HansO,2001Original by Bas Kornalijnslijper,MCWF
喜欢就支持一下吧
评论 抢沙发

请登录后发表评论

    请登录后查看评论内容