

第1页 / 共25页

第2页 / 共25页

第3页 / 共25页

第4页 / 共25页

第5页 / 共25页

第6页 / 共25页

第7页 / 共25页

第8页 / 共25页

第9页 / 共25页

第10页 / 共25页
试读已结束,还剩15页,您可下载完整版后进行离线阅读
THE END
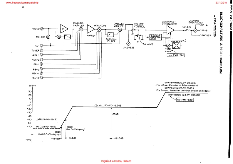
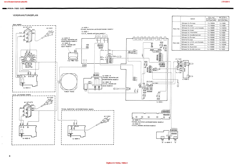
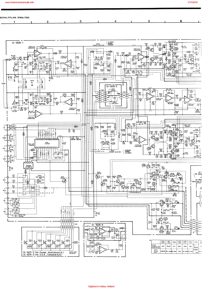
www.freeservicemanyals,info27/1/20152DENONHi-Fi Stereo VorverstarkenWARTUNGSANLEITUNGTYPPMA-720/520Stereo Vor verstarkerPMA-720PMA-520INHALTTECHNISHE DATEN.FUNKTION DER BEDIENUNGSELEMENTE2BLOCKSCHALTUNG U.PEGELDIAGRAMMANSCHLUSSEJUSTIERUNGEN6ENTFERNEN DER BAUGRUPPEN6VERDRAHTUNGSPLAN7SCHALTPLANPMA-2720PMA-52010HALBLEITERPLATINE11,12NETZTEIL-UND SCHALTBAUGRUPPE 1U-1622 (Fur PMA-720)POWER SUPPLY UND SWITCHBAUGRUPPE 1U-1624 (Fur PMA-520)1313EQUALIZER-UND ENDSTUFENBAUGRUPPE 1U-1708 (Fur PMA-720)EQUALIZER UND LEISTUNGBAUGRUPPE 1U-1608 (Fur PMA-520)14EXPLOSIONSZEICHNUNG CHASSIS UND GEHAUSE15TEILELISTE16~1819~30NIPPON COLUMBIA CO.,LTD.Digitized in Heiloo,Holland
请登录后查看评论内容