

第1页 / 共19页

第2页 / 共19页

第3页 / 共19页

第4页 / 共19页

第5页 / 共19页

第6页 / 共19页

第7页 / 共19页

第8页 / 共19页

第9页 / 共19页

第10页 / 共19页
试读已结束,还剩9页,您可下载完整版后进行离线阅读
THE END
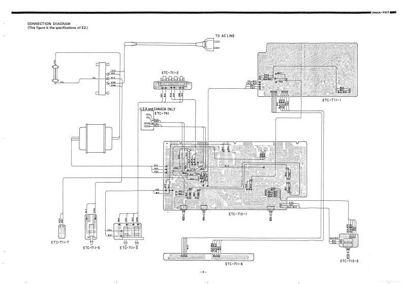
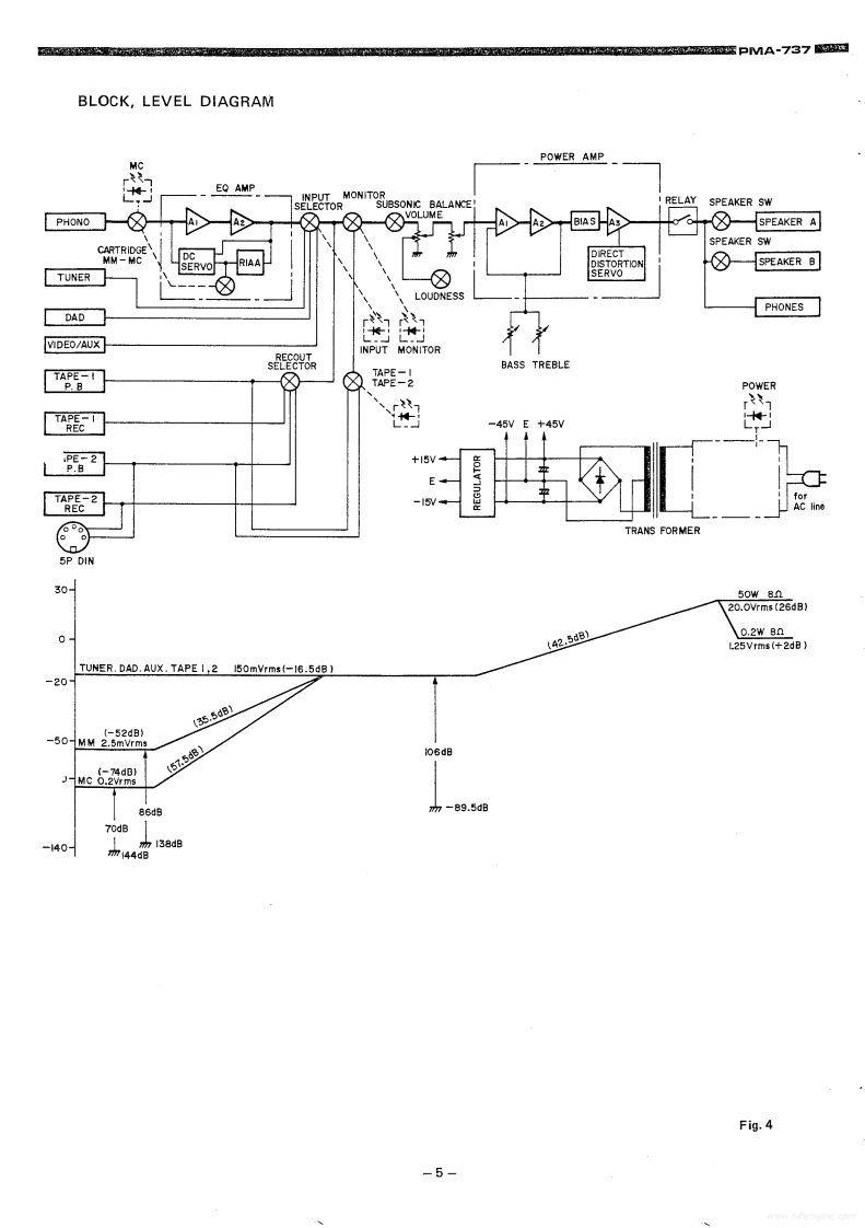
DENONFOREUROPEAN,U.K.,U.S.A.,ASIA MODELSHi-Fi Pre-Main AmplifierSERVICE MANUALMODEL PMA-737SOLID-STATEPRE MAIN AMPLIFIER·111美CONTENTSSPECIFICATIONS…2CONTROLS AND THEIR DESCRIPTION,,,,,,,,,,,····.··········,······,··CONNECTIONS....BLOCK,LEVEL DIAGRAM.·,..·.:.·345METHOD OF ADJUSTMENTS.............67SEMICONDUCTORS.............CONNECTION DIAGRAM..9ETC0712B TONE POWER UNIT ...10,11ETC0741 C-UNIT.......11CTC0711 INPUT&EQ UNIT.,·..·.12~13ADDENDUM LIST.,,,·WIRING DIAGRAM....15EXPLODED VIEW OF CHASSIS AND CABINET16NIPPON COLUMBIA CO..LTD.FEB.1984
请登录后查看评论内容