HarmanKardon-DPR2005-avr-电气原理图手册

HarmanKardon-DPR2005-avr-电气原理图手册-找手册网
HarmanKardon-DPR2005-avr-电气原理图手册
此内容为付费资源,请付费后查看
1921
付费资源

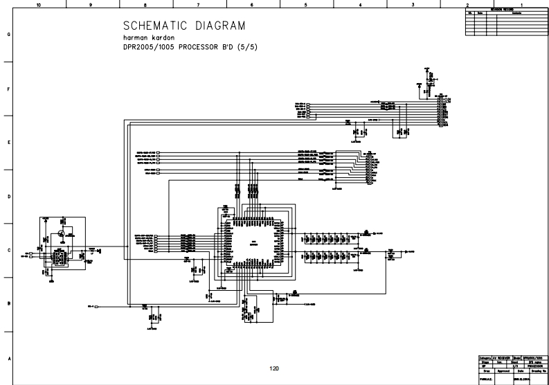
第1页 / 共30页

第2页 / 共30页

第3页 / 共30页

第4页 / 共30页

第5页 / 共30页

第6页 / 共30页

第7页 / 共30页

第8页 / 共30页

第9页 / 共30页

第10页 / 共30页
试读已结束,还剩20页,您可下载完整版后进行离线阅读
THE END
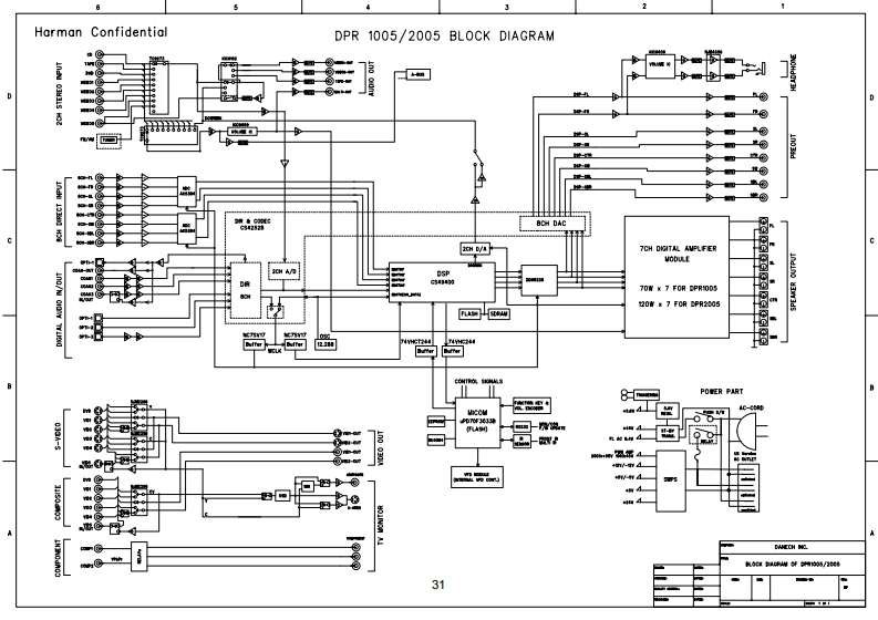
4J2Horman ConfidenticlDPR 1005/2005 BLOCK DIAGRAMAA9818二②BCH DAC2CH D/A7CHDT从AVPLFERVODULEDSPLno/NI CIOW TIidDR·70青K7F0RCPR00520W x 7 FOR DPR200544阿8H啊POWER PARTVICOM4✉6W61W四问》线m44t/-d44患@DAMECH MC8a2104M解的5/66031
喜欢就支持一下吧
评论 抢沙发

请登录后发表评论

    请登录后查看评论内容