

第1页 / 共21页

第2页 / 共21页

第3页 / 共21页

第4页 / 共21页

第5页 / 共21页

第6页 / 共21页

第7页 / 共21页

第8页 / 共21页

第9页 / 共21页

第10页 / 共21页
试读已结束,还剩11页,您可下载完整版后进行离线阅读
THE END
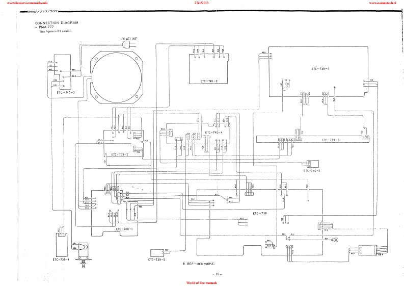
www.freeservicemanuals:info23/12013www.nostatatech.nlDENONHi-Fi Pre-Main AmplifierSERVICE MANUALMODEL PMA-777/757SOLID STATEPRE MAIN AMPLIFIERPMA-777U.5.A.Version OnlyPMA-757Asia Version OnlyCONTENTSSPECIFICATIONS2CONTROLS AND FUNCTIONS...,,,,,·,,,,,,.,,,,,······,,·,·CONNECTIONS.·METHOD OF ADJUSTMENT........................................................6BLOCK OIAGRAM .............................SEMICONDUCTORSPRINTED WIRING BOARD PATTERNS AND PARTS LISTP.S PROTECT UNIT ETC-0740,0740B10-11.17INPUT EQ.UNIT ETC-0739,0739B……12-13.18-19TONE POWER UNIT ETC-0738,0738B,..1415,20-21CONNECTION DIAGRAM ....................16,22WIRING OIAGRAM.,.........……23,25EXPLODED VIEW OF CHASSIS AND CABINET……24,26NIPPON COLUMBIA CO.,LTDWorld of free manuals
请登录后查看评论内容