

第1页 / 共17页

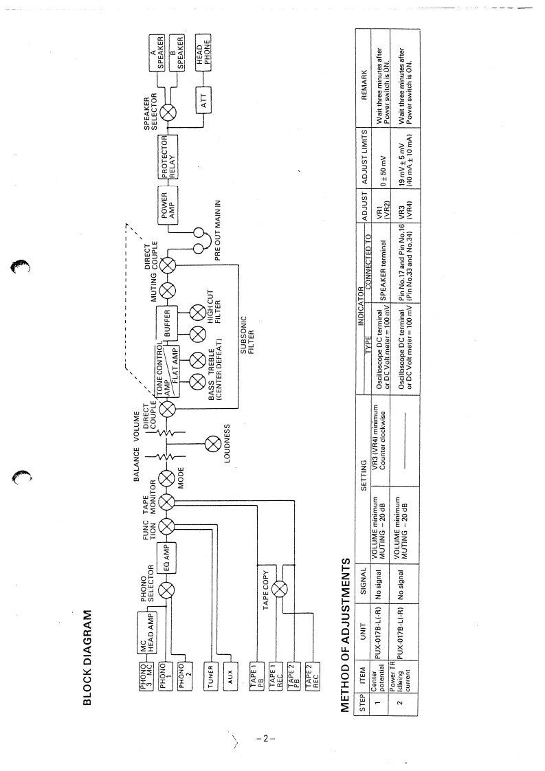
第2页 / 共17页

第3页 / 共17页

第4页 / 共17页

第5页 / 共17页

第6页 / 共17页

第7页 / 共17页

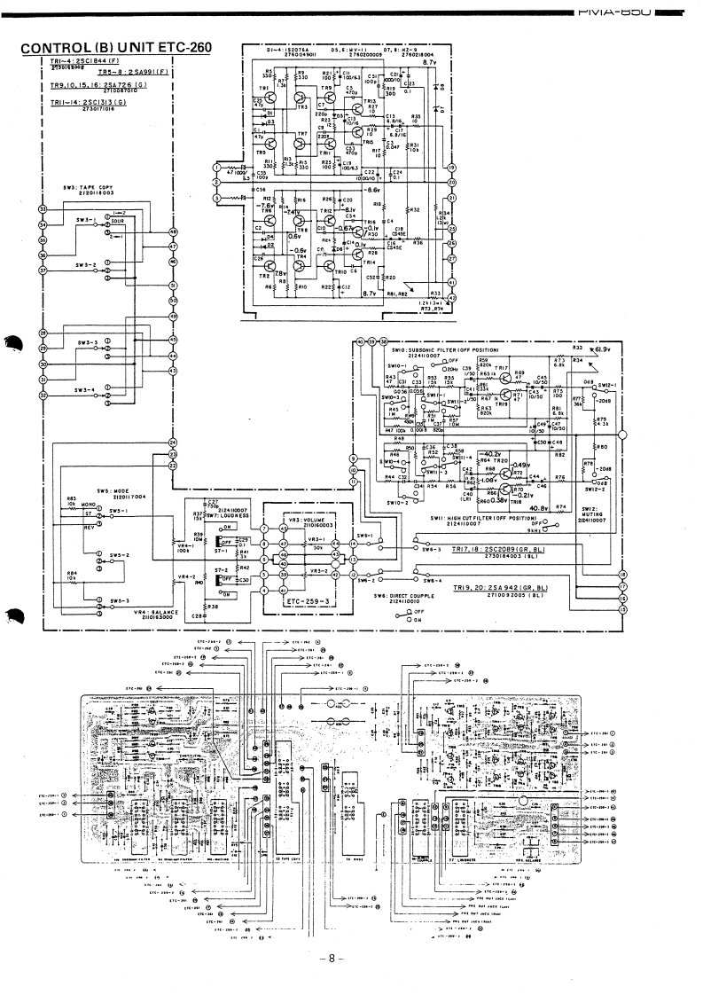
第8页 / 共17页

第9页 / 共17页

第10页 / 共17页
试读已结束,还剩7页,您可下载完整版后进行离线阅读
THE END
DENONHi-Fi Component AmplifierSERVICE MANUALMODEL PMA-850SOLID STATE STEREOINTEGRATED AMPLIFIERTABLE OF CONTENTSSPECIFICATIONS……1BLOCK DIAGRAM..METHOD OF ADJUSTMENTS2EXPLODED VIEW OF CHASSIS AND CABINETFRONT SIDE.……3BACK SIDE..PRINTED CIRCUIT BOARD PATTERNS AND PARTS LISTINPUT TERMINAL UNIT ETC-261................................C0 NTROL(A)UNIT ETC-259-1,-2,-3.........·.CONTROL (B)UNIT ETC-260 ...8POWER AMP UNIT PUX-017B-L,-R..POWER SWITCH PROTECTOR UNIT ETC-262.…112CHASSIS AND CABINET GROUP PARTS LIST16WIRING DIAGRAM ....·…15NIPPON COLUMBIA CO..LTD
请登录后查看评论内容