JBL_PRX915XLF_ServiceManual_vA维修手册电器原理图

JBL_PRX915XLF_ServiceManual_vA维修手册电器原理图-找手册网
JBL_PRX915XLF_ServiceManual_vA维修手册电器原理图
此内容为付费资源,请付费后查看
1921
立即购买
您当前未登录!建议登陆后购买,可保存购买订单
付费资源

第1页 / 共33页

第2页 / 共33页

第3页 / 共33页

第4页 / 共33页

第5页 / 共33页

第6页 / 共33页

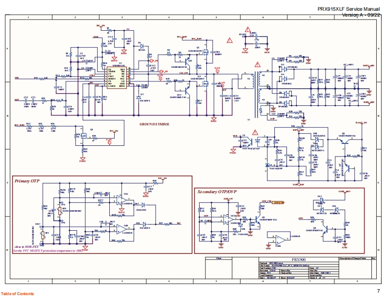
第7页 / 共33页

第8页 / 共33页

第9页 / 共33页

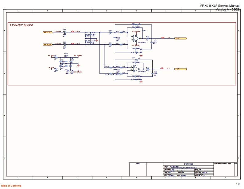
第10页 / 共33页
试读已结束,还剩23页,您可下载完整版后进行离线阅读
THE END
Version A-09/22JBLPROFESSIONALHARMANService ManualPRX915XLF15 Self-Powered Extended LowFrequency Subwoofer with BluetoothJBLHARMANA SAMSUNG COMPANY
喜欢就支持一下吧
评论 抢沙发

请登录后发表评论

    请登录后查看评论内容