

第1页 / 共28页

第2页 / 共28页

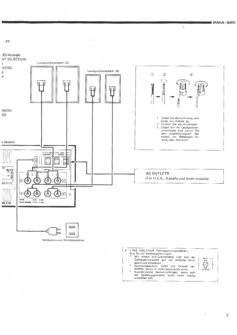
第3页 / 共28页

第4页 / 共28页

第5页 / 共28页

第6页 / 共28页

第7页 / 共28页

第8页 / 共28页

第9页 / 共28页

第10页 / 共28页
试读已结束,还剩18页,您可下载完整版后进行离线阅读
THE END
DENONntegrierter Hi-Fi-StereoverstarkerWARTUNGSANLEITUNGTYP PMA-92▣INTEGRIERTER STEREOVERSTARKERINHALTTECHNISCHE DATEN,,,,,,,····,··,·,,2ANSCHL0SSE.,·ZERLEGEN.......·4EINSTELLUNG.5BLOCKSCHALTBILD5HALBLEITER6TEILELISTE DER PLATINE,,.,,,·,,,··7.8PLATINENETZTEIL-UND KLANGREGELBAUGRUPPE KU-9I38(Europa austuhrung)..·..···.·.NETZTEIL-UND KLANGREGELBAUGRUPPE KU-9141 (Ausfuhrung fiur USA und KanadaENDSTUFENBAUGRUPPE KU-913711ANSCHLUSSDIAGRAMM........1SCHALTPLANEXPLOSIONSZEICHNUNG VON CHASSIS UND GEHAUSE UND TEILELISTE·.··,..,.,·14ZUSATZLISTE,,,,15NIPPON COLUMBIA CO..LTD.
请登录后查看评论内容