

第1页 / 共68页

第2页 / 共68页

第3页 / 共68页

第4页 / 共68页

第5页 / 共68页

第6页 / 共68页

第7页 / 共68页

第8页 / 共68页

第9页 / 共68页

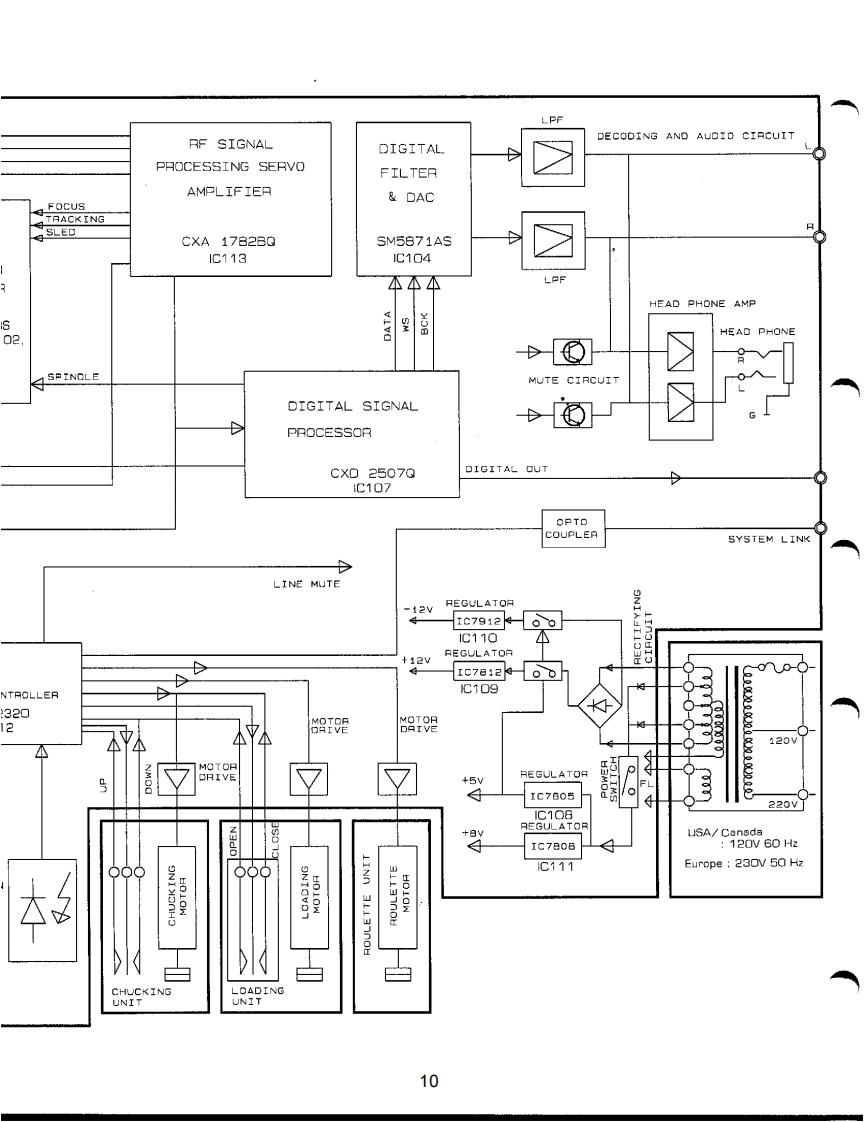
第10页 / 共68页
试读已结束,还剩58页,您可下载完整版后进行离线阅读
THE END
harman/kardonMode FL83005 Disc Compact Disc ChangerSERVICE MANUALharman kardon F30國用CONTENTSLASER BEAM SAFETY PRECAUTIONS..............2TECH TIPTIP#HKTT2003-02....................26OTHER PRECAUTIONS.....................3TROUBLESHOOTING...........................27LEAKAGE TEST4PRINTED CIRCUIT BOARDS........34SPECIFICATONS5GENERAL UNIT EXPLODED VIEW I,Il ............37CONTROL AND FUNCTIONS..7GENERAL UNIT PARTS LIST........................40BLOCK DIAGRAM.......9ELECTRICAL PARTS LIST...............41PICKUP REPLACEMENT........................11SEMICONDUCTOR IDENTIFICATION.................4.4CIRCUIT DESCRIPTION..................13PACKAGE....52BULLETIN#604.SCHEMATIC DIAGRAM.53BU儿LETN#9607..…23WIRING DIAGRAM........61BU儿LETIN#9703.….24hamman/kardon,Inc.250 Crossways Park Dr.Woodbury,New York 11797Rev13/2003
请登录后查看评论内容