

第1页 / 共48页

第2页 / 共48页

第3页 / 共48页

第4页 / 共48页

第5页 / 共48页

第6页 / 共48页

第7页 / 共48页

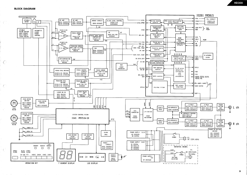
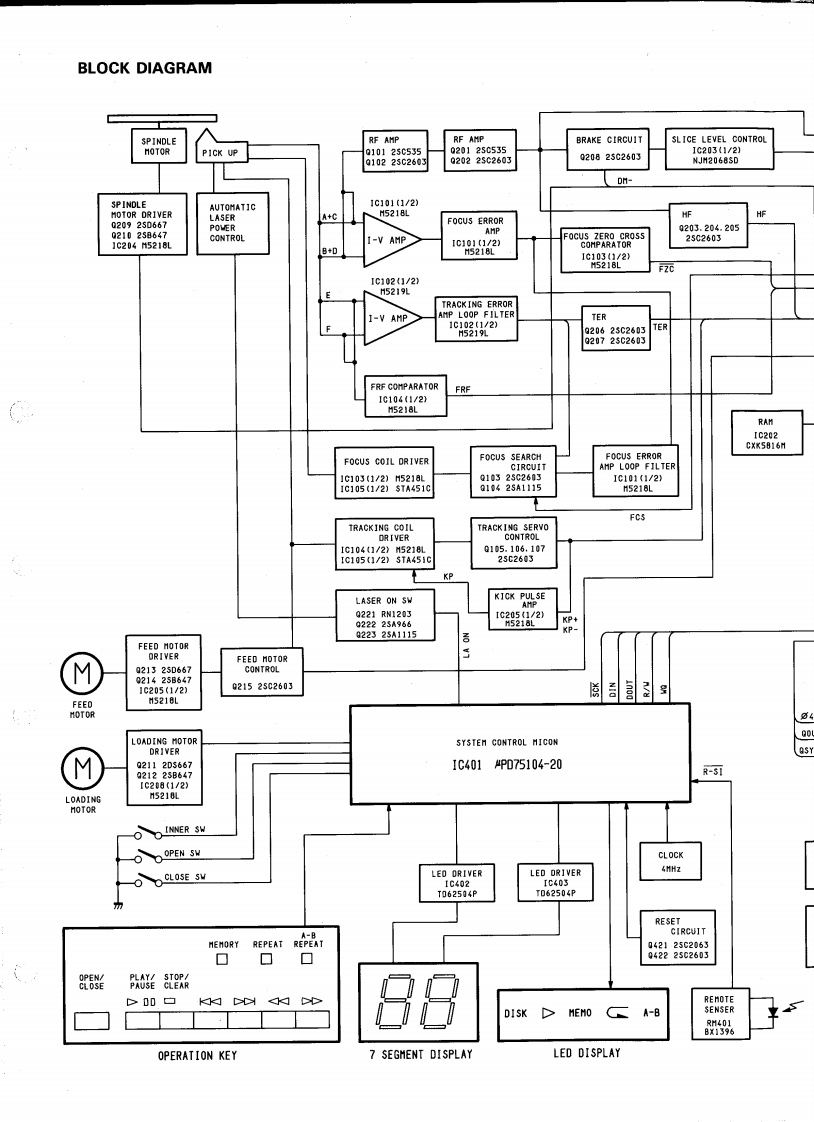
第8页 / 共48页

第9页 / 共48页

第10页 / 共48页
试读已结束,还剩38页,您可下载完整版后进行离线阅读
THE END
The Harman KardonModel HD300Manual 109ACOMPACT DISC PLAYERHD300T下echnical Manual30CLASS 1 LASER PRODUCTBe Careful of the Laser PickupProduct complies with DHHS rules CFR subchapter J partAlthough you cannot see it from the outside,a laser pickup is1040:10 at date of manufacture.located under the disc tray and a precision lens is built in it.Since the laser pickup,including the lens element,isDANGER-invisible laser radiation when open and interlockespecially sensitive to dust,keep the disc tray closed whenfailed or defeated.Avoid direct exposure to the beam.not in use.Also do not put your hand inside the unit.CAUTION-use of all controls,adjustments or performanceof procedures other than those specified herein may result inhazardous radiation exposure.CLASS 1LASER PRODUCTharman/kardon
请登录后查看评论内容