Denon-TU501-tun-维修说明书手册含电器原理图

Denon-TU501-tun-维修说明书手册含电器原理图-找手册网
Denon-TU501-tun-维修说明书手册含电器原理图
此内容为付费资源,请付费后查看
1921
立即购买
您当前未登录!建议登陆后购买,可保存购买订单
付费资源

第1页 / 共8页

第2页 / 共8页

第3页 / 共8页

第4页 / 共8页

第5页 / 共8页

第6页 / 共8页

第7页 / 共8页

第8页 / 共8页
已完成全部阅读,共8
THE END
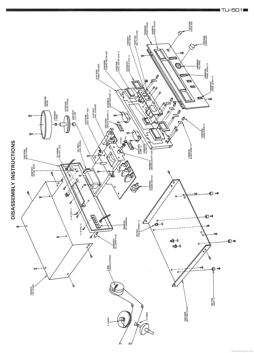
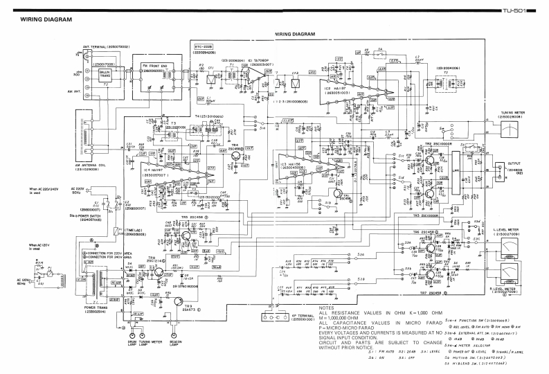
DENONHi-Fi AM-FM Stereo/TunerSERVICE MANUALMODEL TU-501SOLID STATE AM-FMSTEREO TUNERDENON111》ntuner TU-50TABLE OF CONTENTSSPECIFICATIONS..................................................................1BLOCK DIAGRAM......。。。。。,,,,,,,,,,。,1DISASSEMBLY INSTRUCTIONS。。。。。。。。。。。。,。,,,,,PRINTED CIRCUIT BOARD PATTERNS AND PARTS LIST..................................3TUNER UNIT ETC-222B...·..··…3CHASSIS GROUP................................................................4METHOD OF ADJUSTMENTS.·.··.·..VOLTAGE CHANGEOVER.......….5..5WIRING DIAGRAM ......6,7NIPPON COLUMBIA CO..LTD.
喜欢就支持一下吧
评论 抢沙发

请登录后发表评论

    请登录后查看评论内容