

第1页 / 共24页

第2页 / 共24页

第3页 / 共24页

第4页 / 共24页

第5页 / 共24页

第6页 / 共24页

第7页 / 共24页

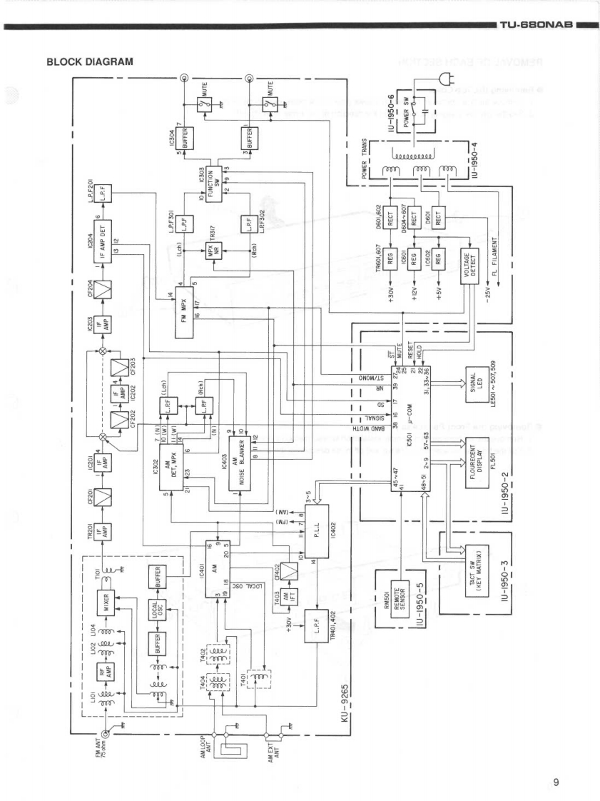
第8页 / 共24页

第9页 / 共24页

第10页 / 共24页
试读已结束,还剩14页,您可下载完整版后进行离线阅读
THE END
DENONHi-Fi ComponentSERVICE MANUALMODEL TU-68ONAB2-BAND(AM-FM STEREO)TUNERDENONTU-Lhdw10250.30-TABLE OF CONTENTS-OPERATING INSTRUCTIONS.............................................................2-8B孔OCK DIAGRAM9REMOVAL OF EACH SECTION........................................................10-11METHOD OF ADJUSTMENTS...........................................................12-13SEMIC0 NDUCTORS14-15NOTE FORPARTSLIST...................................................................16PARTSLIST OF PW.BOARD(1U-1950H)......................................................16PARTS LIST OF P.W.B0ARD(KU-9265),..,......,....,..,.,,.,..16-1PRINTED WIRING BOARD OF TUNER UNIT(1U-1950H)18PRINTED WIRING BOARD OF TUNER UNIT (KU-9265)..........................................EXPLODED VIEW2PARTSUIST OF EXPLODED VIEW .........................................................PARTS LIST OF PACKING ACCESSORIESWIRINGDIAGRAM.......................................................................SCHEMATIC DIAGRAM...................................................................23NIPPON COLUMBIA CO.LTD.
请登录后查看评论内容