Denon-TU800-tun-维修说明书手册含电器原理图

Denon-TU800-tun-维修说明书手册含电器原理图-找手册网
Denon-TU800-tun-维修说明书手册含电器原理图
此内容为付费资源,请付费后查看
1921
立即购买
您当前未登录!建议登陆后购买,可保存购买订单
付费资源

第1页 / 共8页

第2页 / 共8页

第3页 / 共8页

第4页 / 共8页

第5页 / 共8页

第6页 / 共8页

第7页 / 共8页

第8页 / 共8页
已完成全部阅读,共8
THE END
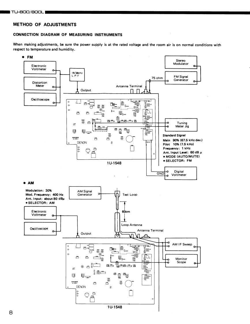
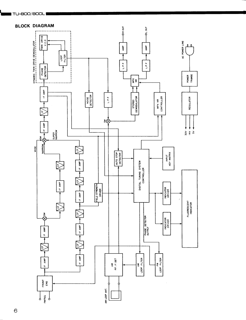
DENONHiFi Stereo AM-FM TunerSERVICE MANUALMODEL TU-BOO/B▣▣LTU-8002-BAND(AM-FM)STEREO TUNERTU-800L3-BAND(LW-MW-FM)STEREO TUNERCONTENTSSPECIFICATIONS..····.·····.FUNCTIONS OF PANEL CONTROLS3C0 NNECTIONS.·,,·············4~5BLOCK DIAGRAM··6REMOVAL OF EACH SECTION,,,,,··,,·..···.···:···,,···METHOD OF ADJUSTMENTS..··.···,·,8~9SEMICONDUCTORS1014SCHEMATIC DIAGRAM (for 2 BAND)15SCHEMATIC DIAGRAM (for 3 BAND)16WIRING DIAGRAM....·······.·,·,,··17PRINTED WIRING BOARD1U-1548 TUNER UNIT ...18,19SCHEMATIC DIAGRAM(DISPLAY UNIT)..,......·,··,··.·20PRINTED WIRING BOARDS AND PARTS LIST1U-1549 DISPLAY UNIT .21EXPLODED VIEW OF CHASSIS AND CABINET&PARTS LIST.·.·········,,,···.22~23PRINTED WIRING BOARD PARTS LIST,,,,·.·.···,.·,·,,,,·,·.·24~26CAUTIONS.......·29NIPPON COLUMBIA CO.,LTD.
喜欢就支持一下吧
评论 抢沙发

请登录后发表评论

    请登录后查看评论内容