

第1页 / 共73页

第2页 / 共73页

第3页 / 共73页

第4页 / 共73页

第5页 / 共73页

第6页 / 共73页

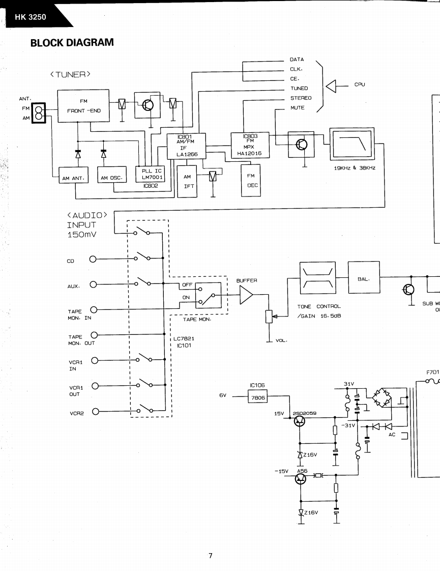
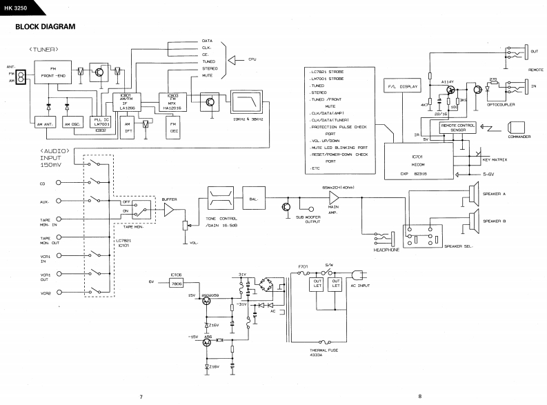
第7页 / 共73页

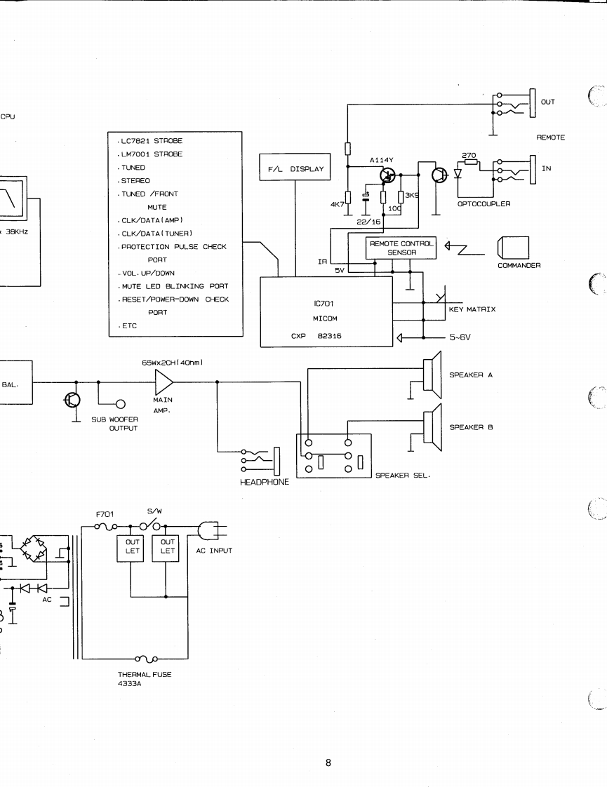
第8页 / 共73页

第9页 / 共73页

第10页 / 共73页
试读已结束,还剩63页,您可下载完整版后进行离线阅读
THE END
兰The Harman KardonModel HK3250Manual AAUDIO AND VIDEO RECEIVERTechnical Manualharman/kardon3250888a:OCONTENTSSPECIFICATIONS…2GENERAL UNIT…25LEAKAGE TESTPRINTED CIRCUIT BOARDS…27CONTROLS AND FUNCTIONS…5ELECTRICAL PARTS LIST..............31BLOCK DIAGRAM................…7SEMICONDUCTOR LEAD IDENTIFICATIONDISASSEMBLY PROCEDURES .......................9INTERNAL DIAGRAM......................35CIRCUIT DESCRIPTION..............................11TRANSISTORS LEAD IDENTIFICATION…38ALIGNMENT PROCEDURES0,18PACKAGE...........39TROUBLESHOC0TNG…21WIRING DIAGRAM...1GENERAL UNIT PARTS LIST..................24SCHEMATIC DIAGRAMS (I,II,III)…42harman/kardonParts and Service Office80 Crossways Park West,Woodbury,N.Y.117971112-HK3250A G9603 1200 Printed in Korea
请登录后查看评论内容