accuphase—e202-(schematic-partial)维修电器原理图

accuphase---e202-(schematic-partial)维修电器原理图-找手册网
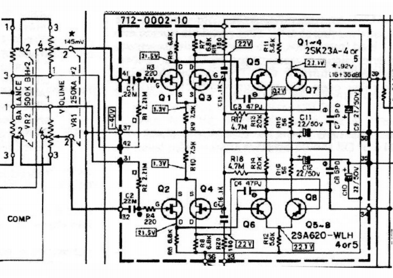
accuphase—e202-(schematic-partial)维修电器原理图
此内容为付费资源,请付费后查看
1921
立即购买
您当前未登录!建议登陆后购买,可保存购买订单
付费资源

第1页 / 共3页

第2页 / 共3页

第3页 / 共3页
已完成全部阅读,共3
THE END
711-0002-10D5立z1228钟:X遇200fG21C37R517KR722C9430Pov2R72,4M01609Q3传5789007-3克四C32.2/166A32006396Q14,7,8:25A856A-GRor B.3m1005,6:25C1746A-GR or BL43.3mA
喜欢就支持一下吧
评论 抢沙发

请登录后发表评论

    请登录后查看评论内容