

第1页 / 共40页

第2页 / 共40页

第3页 / 共40页

第4页 / 共40页

第5页 / 共40页

第6页 / 共40页

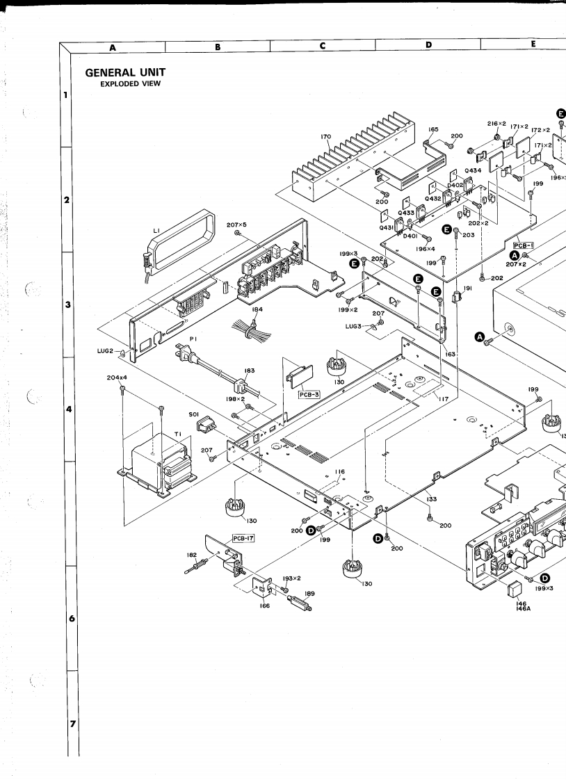
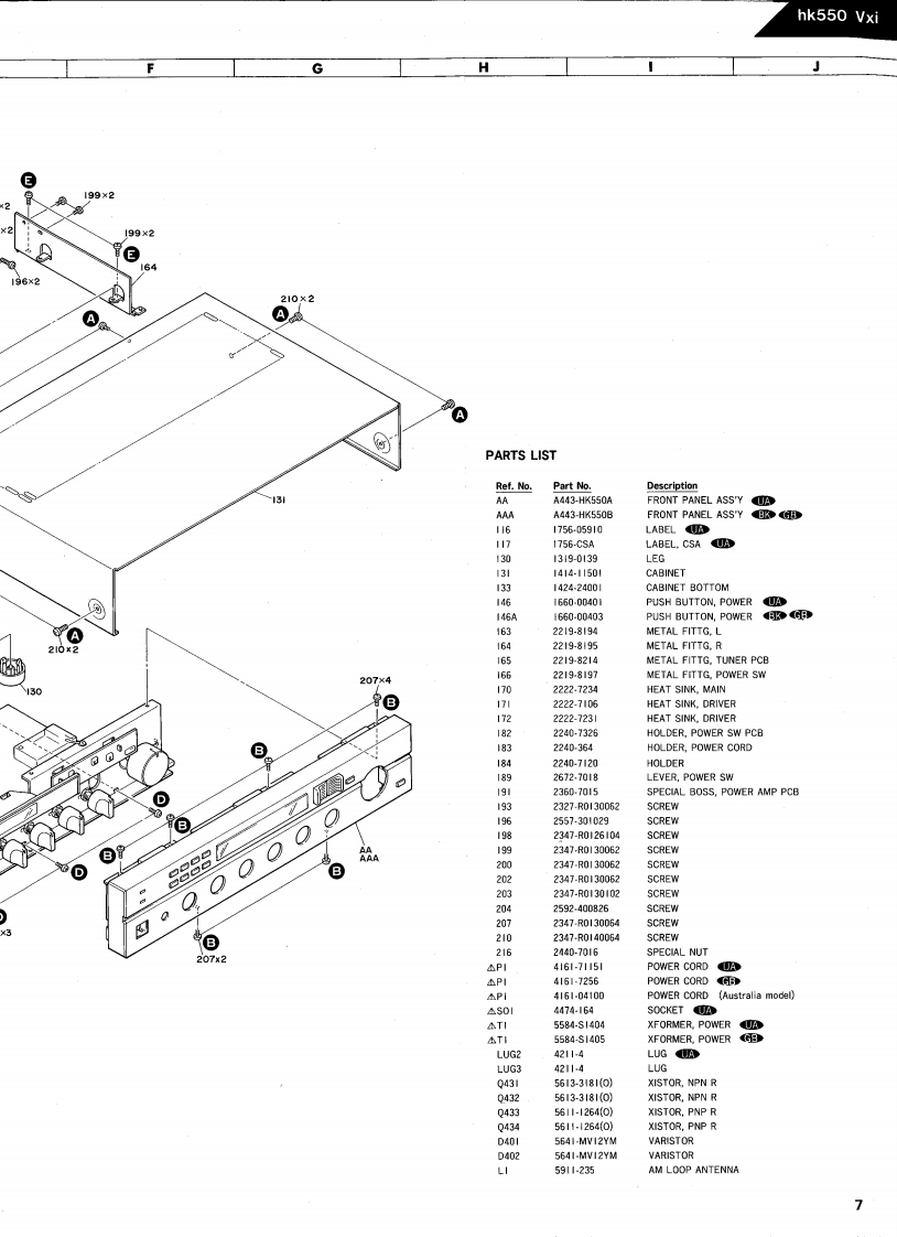
第7页 / 共40页

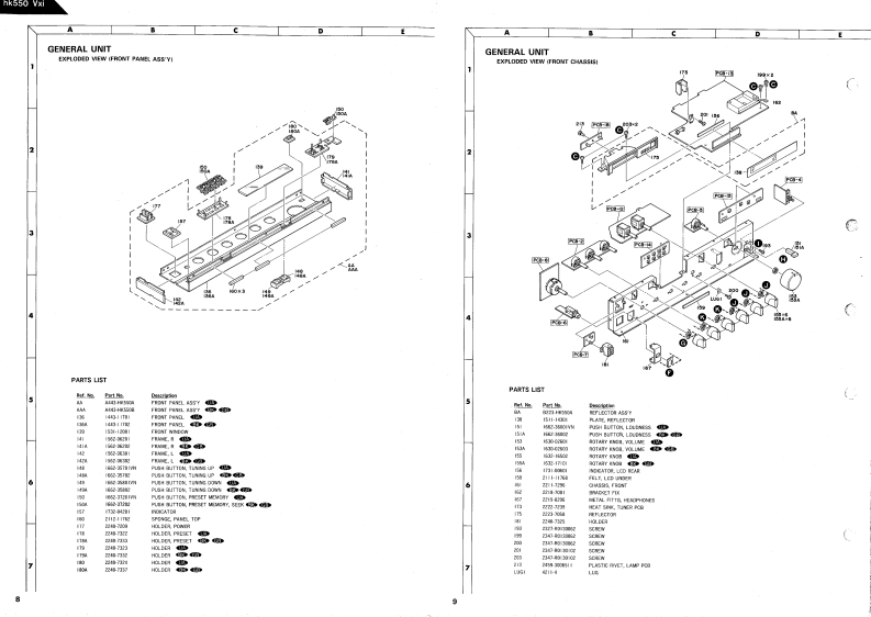
第8页 / 共40页

第9页 / 共40页

第10页 / 共40页
试读已结束,还剩30页,您可下载完整版后进行离线阅读
THE END
The Harman KardonModel hk550 VxiManual 123AHIGH VOLTAGE/HIGH CURRENT STEREO RECEIVERTechnical Manual马古古画避8B8B“男益①①①而hk550 VxiThe following marks found in the parts list of this manual identifythe models as follows.North America area modelNorth America area model Black versionGeneral modelharman/kardon
请登录后查看评论内容