accuphase-1070(schematic)维修电器原理图

accuphase-1070(schematic)维修电器原理图-找手册网
accuphase-1070(schematic)维修电器原理图
此内容为付费资源,请付费后查看
1921
立即购买
您当前未登录!建议登陆后购买,可保存购买订单
付费资源

第1页 / 共10页

第2页 / 共10页

第3页 / 共10页

第4页 / 共10页

第5页 / 共10页

第6页 / 共10页

第7页 / 共10页

第8页 / 共10页

第9页 / 共10页

第10页 / 共10页
已完成全部阅读,共10
THE END
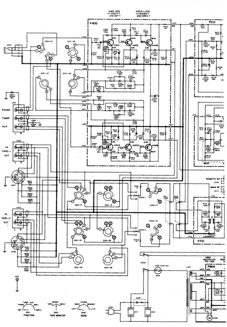
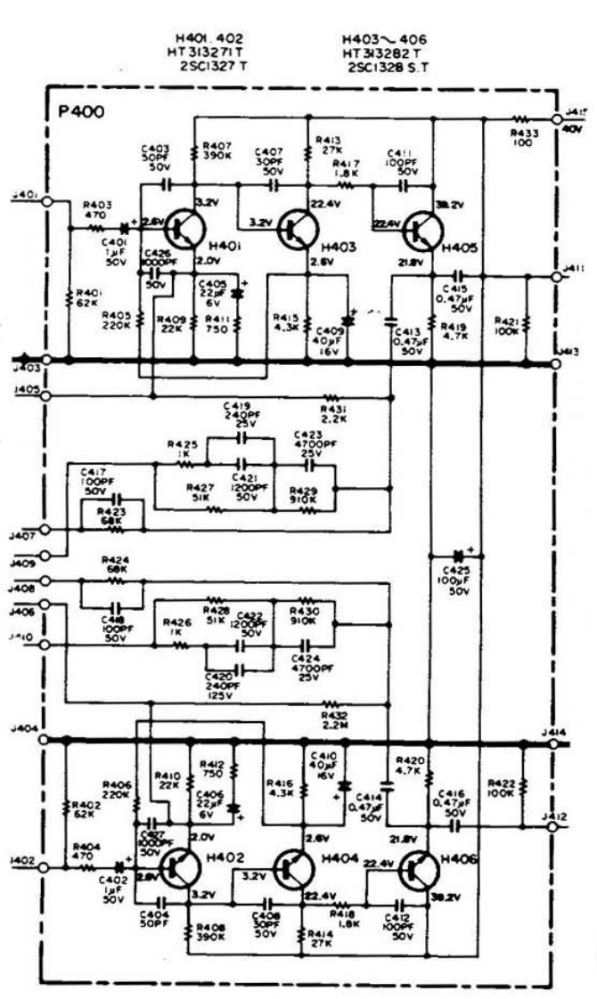
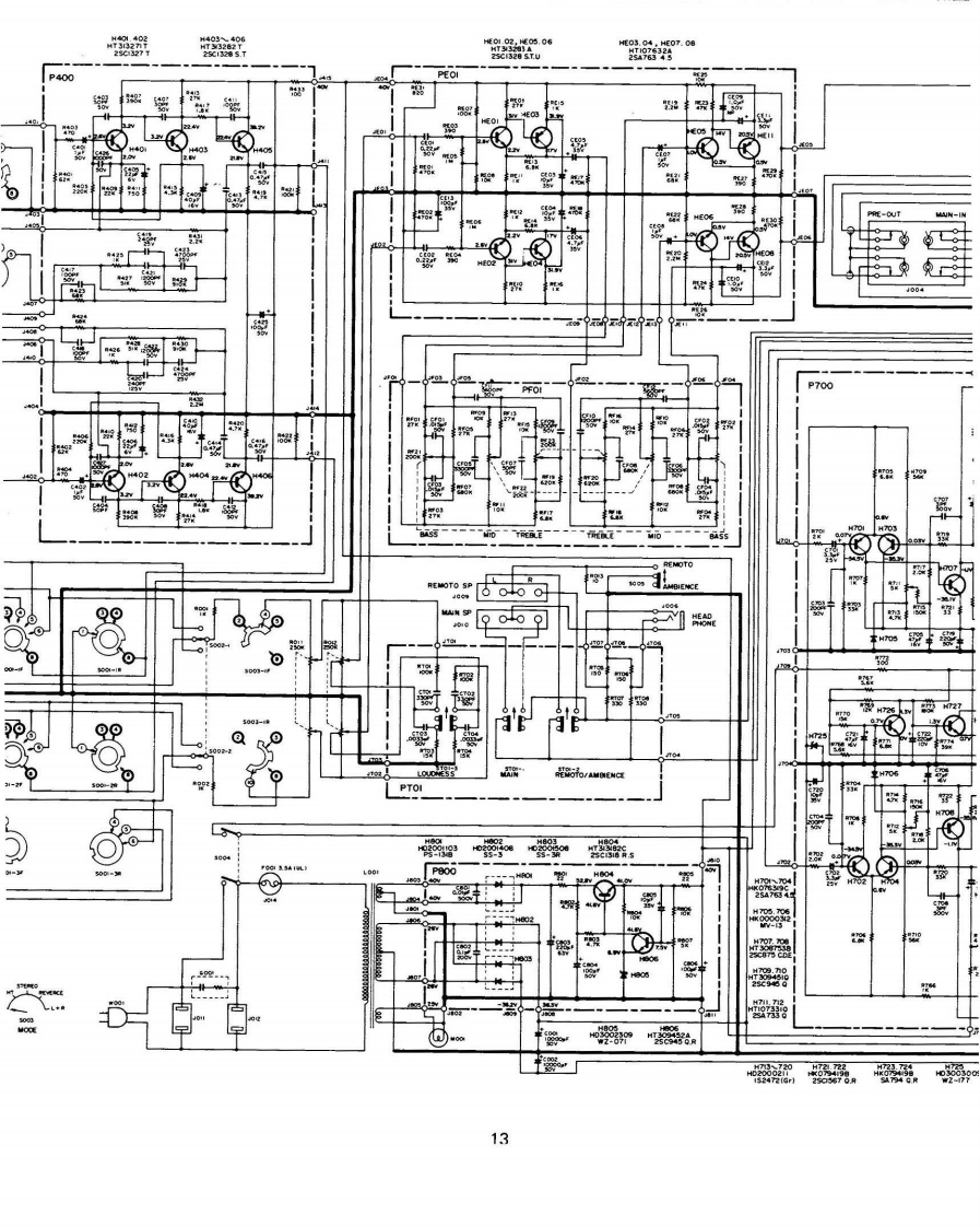
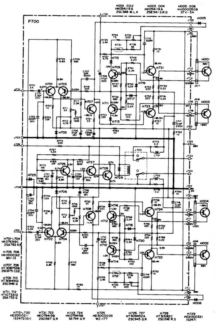
H40.402H403、406HT 31327ITHT 33282T2SC1327T2SC13285.TP400R433R40710039040R403470c40H4Oi4034405202.R4622282250R421C4130.47f6V425C4215跟AA407●密R42691254042.2M8R4204.7K280报6聚2.V402H40240422.322.468R40390
喜欢就支持一下吧
评论 抢沙发

请登录后发表评论

    请登录后查看评论内容