HarmanKardon-T120-tun-电气原理图手册

HarmanKardon-T120-tun-电气原理图手册-找手册网
HarmanKardon-T120-tun-电气原理图手册
此内容为付费资源,请付费后查看
1921
付费资源

第1页 / 共9页

第2页 / 共9页

第3页 / 共9页

第4页 / 共9页

第5页 / 共9页

第6页 / 共9页

第7页 / 共9页

第8页 / 共9页

第9页 / 共9页
已完成全部阅读,共9
THE END
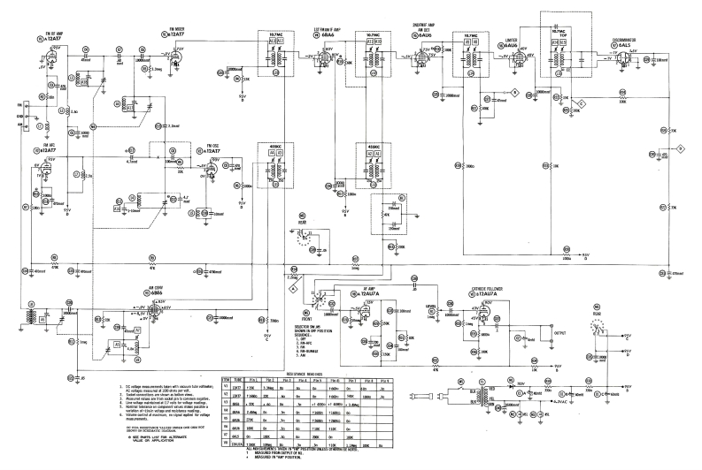
HARMAN-KARDONMODEL T-120TRADE NAMEHarman-Kardon Model T-120MANUFACTURERHarman-Kardon,Inc.,520 Main St.,Westbury,L.L.,N.Y.TYPE SETAC Operated FM-AM TunerTUBES (Eight)Types 12AT7 FM RF Amp.-Mixer,12AT7 FM Osc.-AFC,6BE6 AM Conv.,6BA6 1st IF Amp.6AU6 2nd FM IF Amp.-AM Det-AVC,6AU6 Limiter,6AL5 Disc.,12AU7A AF Amp.-Cath.FoilowerPOWER SUPPLY105-125 Volts AC -60 CyclesRATING 35 Amp.117 Volts AC (30 Watts)TUNING RANGE -BROADCAST 530KC -1650KCFREQ.MOD.88MC 108MC
喜欢就支持一下吧
评论 抢沙发

请登录后发表评论

    请登录后查看评论内容