HarmanKardon-T25-tt-维修说明书手册含电器原理图

HarmanKardon-T25-tt-维修说明书手册含电器原理图-找手册网
HarmanKardon-T25-tt-维修说明书手册含电器原理图
此内容为付费资源,请付费后查看
1921
付费资源

第1页 / 共10页

第2页 / 共10页

第3页 / 共10页

第4页 / 共10页

第5页 / 共10页

第6页 / 共10页

第7页 / 共10页

第8页 / 共10页

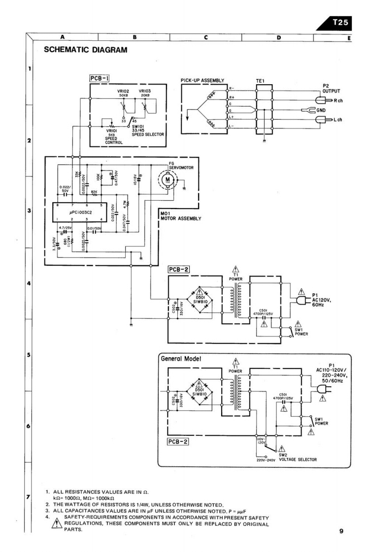
第9页 / 共10页

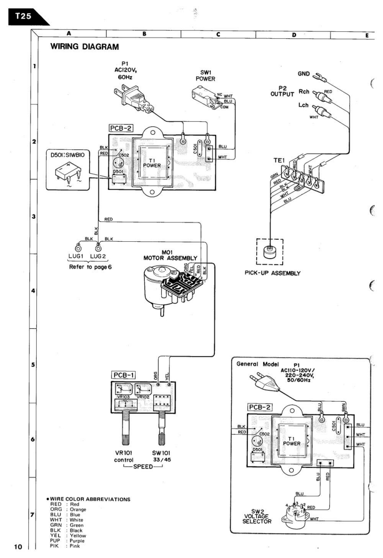
第10页 / 共10页
已完成全部阅读,共10
THE END
The Harman KardonModel T25Manual No.73ASEMI-AUTOMATIC TURNTABLETechnical Manualharman/kardon240 CAOSSWAYS PARK WEST.WOODBURY.NY.11791112-H15273A7 P.08843 1650 PRINTED IN JAPAN
喜欢就支持一下吧
评论 抢沙发

请登录后发表评论

    请登录后查看评论内容