HarmanKardon-TA230-rec-维修说明书手册含电器原理图

HarmanKardon-TA230-rec-维修说明书手册含电器原理图-找手册网
HarmanKardon-TA230-rec-维修说明书手册含电器原理图
此内容为付费资源,请付费后查看
1921
付费资源

第1页 / 共10页

第2页 / 共10页

第3页 / 共10页

第4页 / 共10页

第5页 / 共10页

第6页 / 共10页

第7页 / 共10页

第8页 / 共10页

第9页 / 共10页

第10页 / 共10页
已完成全部阅读,共10
THE END
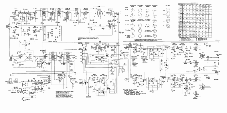
HARMAN-KARDONMODEL TA-230TRADE NAMEHarman-Kardon Model TA-230(Stereo Festival)MANUFACTURERHarman-Kardon,Inc.,520 Main Street,Westbury,L.I.,N.Y.TYPE SETAC Operated 20 Tube FM-AM Receiver With Stereo OutputPOWER SUPPLY105-125 Volts AC,60 CyclesRATING130 Watts,1.5 Amp.a 117 Volts ACTUNING RANGEBROADCAST 530 -1640KCFREQ.MOD.88-108MC
喜欢就支持一下吧
评论 抢沙发

请登录后发表评论

    请登录后查看评论内容