Akai-A-4162-A-4191-维修电器原理图手册

Akai-A-4162-A-4191-维修电器原理图手册-找手册网
Akai-A-4162-A-4191-维修电器原理图手册
此内容为付费资源,请付费后查看
1921
立即购买
您当前未登录!建议登陆后购买,可保存购买订单
付费资源

第1页 / 共30页

第2页 / 共30页

第3页 / 共30页

第4页 / 共30页

第5页 / 共30页

第6页 / 共30页

第7页 / 共30页

第8页 / 共30页

第9页 / 共30页

第10页 / 共30页
试读已结束,还剩20页,您可下载完整版后进行离线阅读
THE END
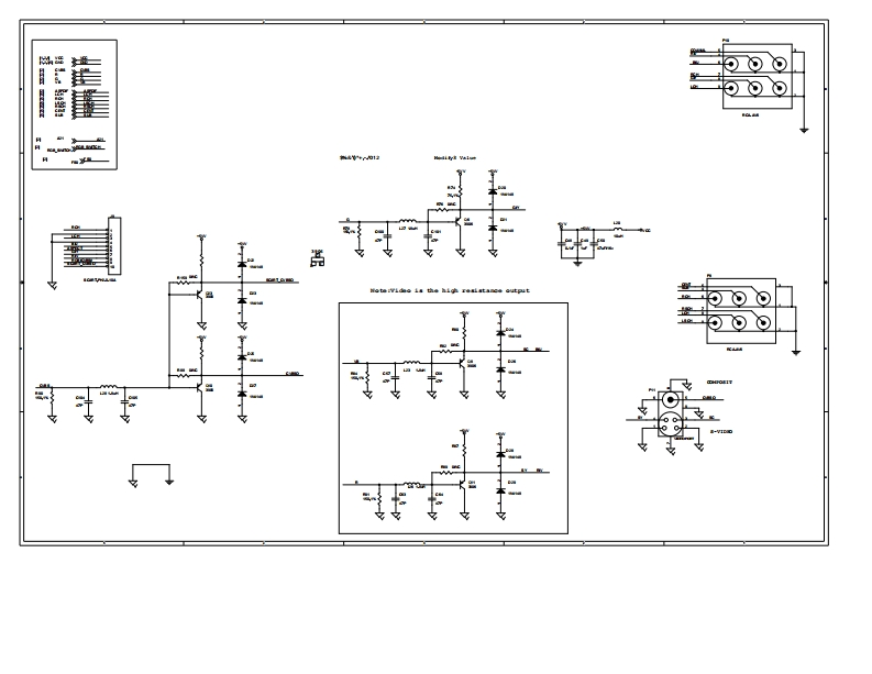
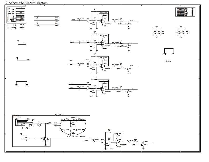
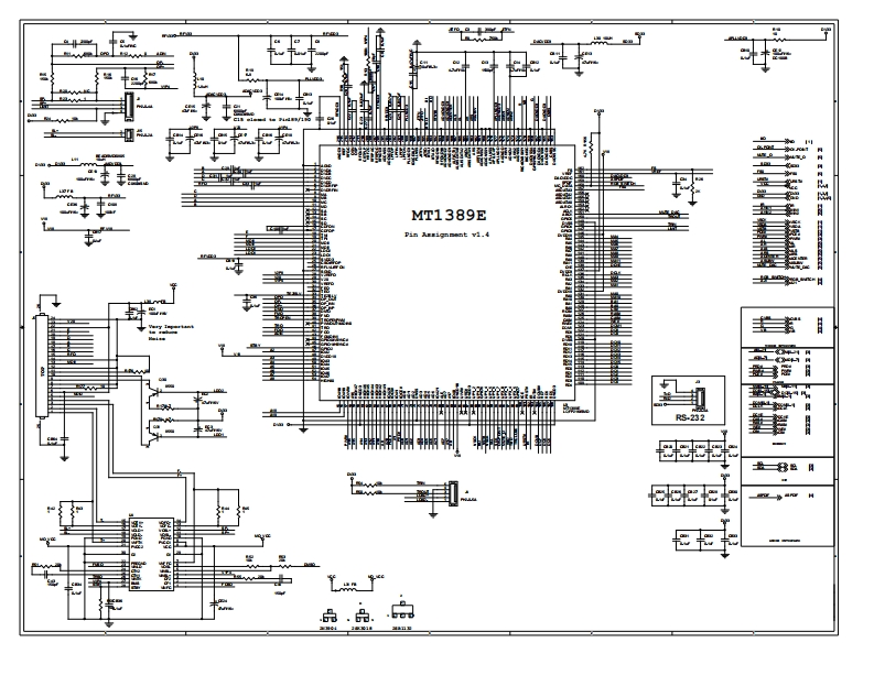
赤AKAIDVD PLAYERModels:A-4162A-4191SERVICE MANUALwww.akai.ru
喜欢就支持一下吧
评论 抢沙发

请登录后发表评论

    请登录后查看评论内容