Akai-A4191-dvd-维修说明书手册含电器原理图

Akai-A4191-dvd-维修说明书手册含电器原理图-找手册网
Akai-A4191-dvd-维修说明书手册含电器原理图
此内容为付费资源,请付费后查看
1921
立即购买
您当前未登录!建议登陆后购买,可保存购买订单
付费资源

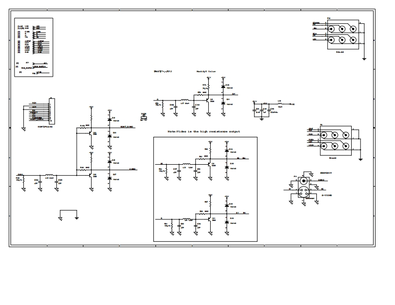
第1页 / 共30页

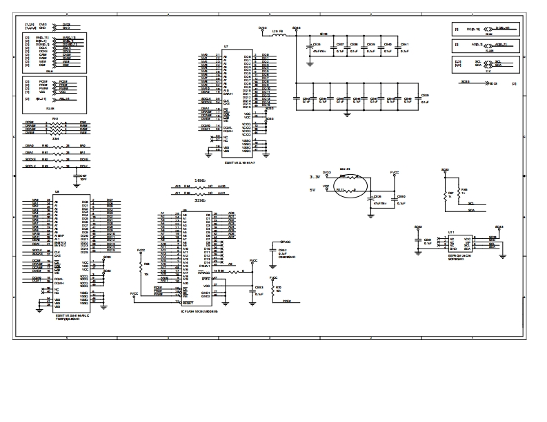
第2页 / 共30页

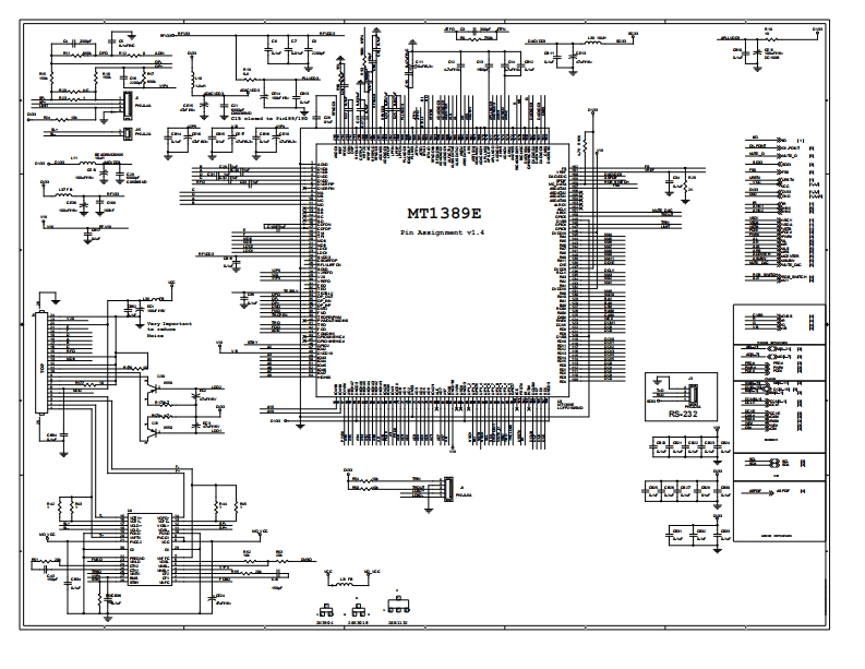
第3页 / 共30页

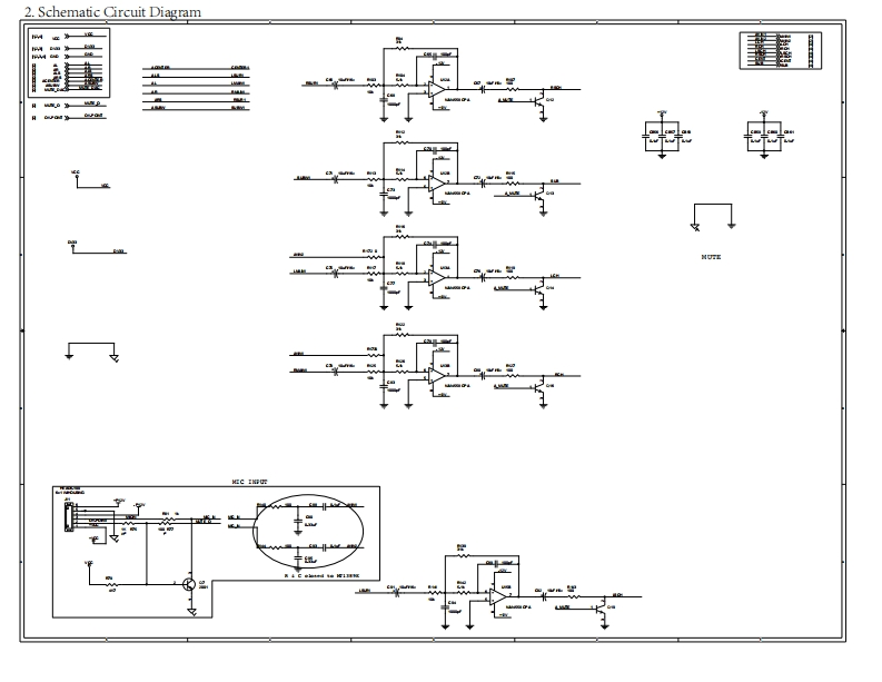
第4页 / 共30页

第5页 / 共30页

第6页 / 共30页

第7页 / 共30页

第8页 / 共30页

第9页 / 共30页

第10页 / 共30页
试读已结束,还剩20页,您可下载完整版后进行离线阅读
THE END
赤AKAIDVD PLAYERModels:A-4162A-4191SERVICE MANUALwww.akai.ru
喜欢就支持一下吧
评论 抢沙发

请登录后发表评论

    请登录后查看评论内容