

第1页 / 共47页

第2页 / 共47页

第3页 / 共47页

第4页 / 共47页

第5页 / 共47页

第6页 / 共47页

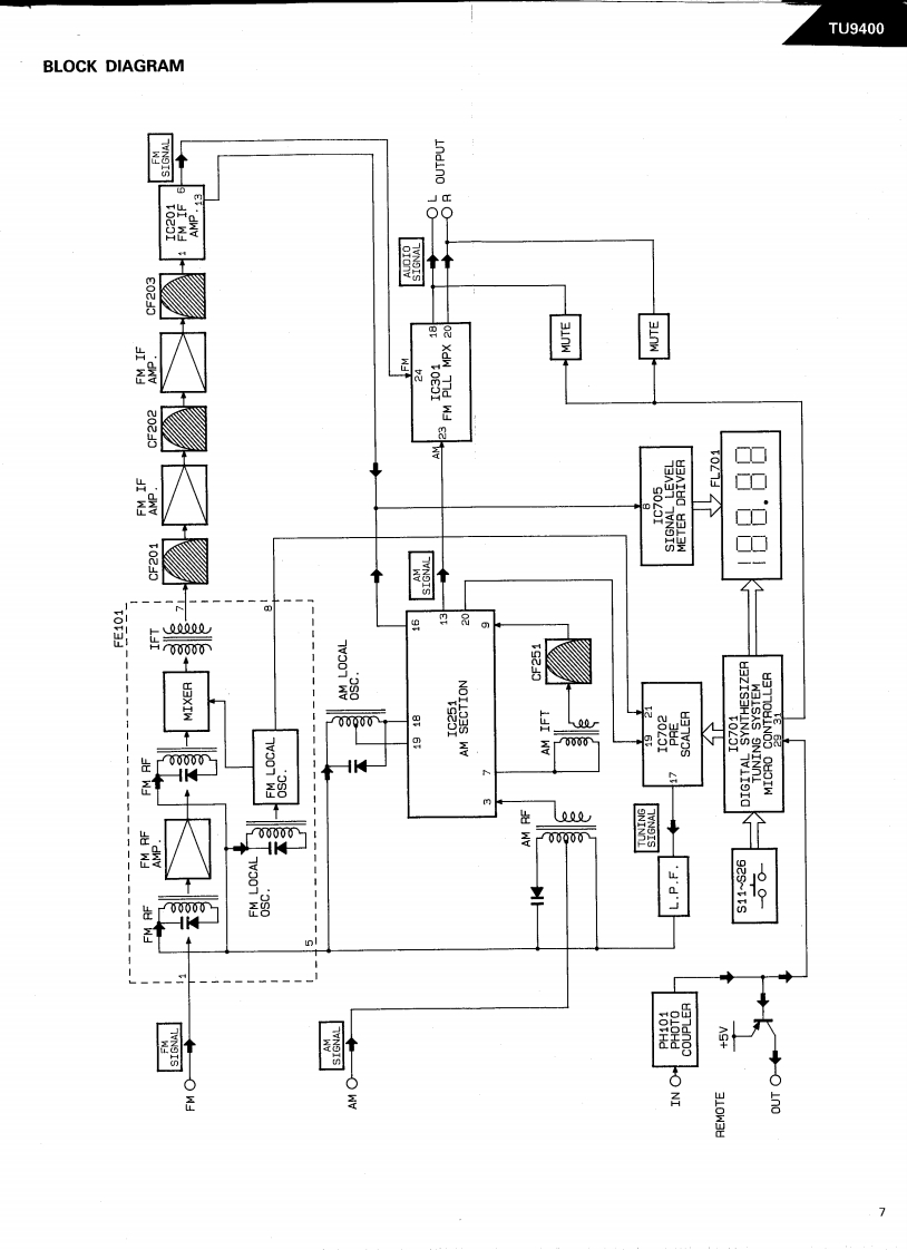
第7页 / 共47页

第8页 / 共47页

第9页 / 共47页

第10页 / 共47页
试读已结束,还剩37页,您可下载完整版后进行离线阅读
THE END
The Harman KardonModel TU9400Manual 156AAM/FM STEREO TUNERTechnical Manualharman/kardon TUg0s........6888en-The following marks found in the parts list of this manual iden-tify the models as follows.KNorth America area model Black version●International modelBInternational model Black versionBB:Australia model Black versionharman/kardon240 Crossways Park West,Woodbury,N.Y.117971112-3152156A9P-0790072000 Printed in Japan
请登录后查看评论内容