HarmanKardon-Urei1605-mc-电气原理图手册

HarmanKardon-Urei1605-mc-电气原理图手册-找手册网
HarmanKardon-Urei1605-mc-电气原理图手册
此内容为付费资源,请付费后查看
1921
付费资源

第1页 / 共37页

第2页 / 共37页

第3页 / 共37页

第4页 / 共37页

第5页 / 共37页

第6页 / 共37页

第7页 / 共37页

第8页 / 共37页

第9页 / 共37页

第10页 / 共37页
试读已结束,还剩27页,您可下载完整版后进行离线阅读
THE END
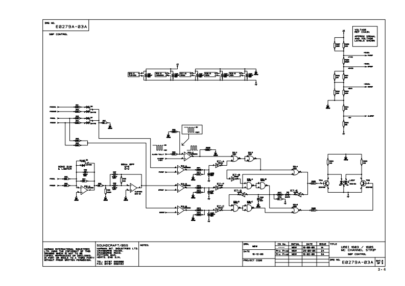
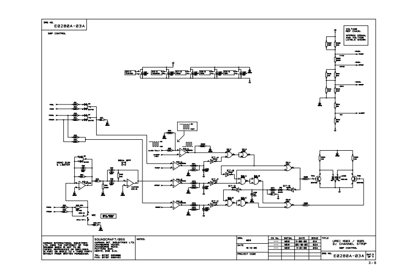
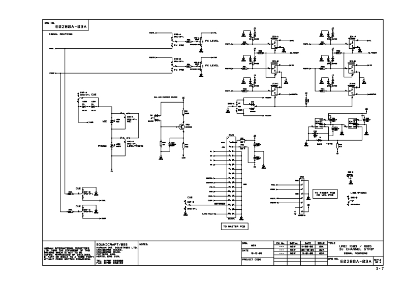
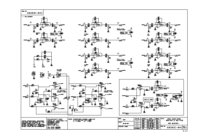
BAG MO.E8279A-83AtdE网于NPUT A E3网凳2器L/器品TMIDLESOUNDCRAFT/B5S%NOHANNEL STRIPm群票一日-解R -O-M 3AT车g出韶需FROJECT CSPEEa27A-a3A四y3.2
喜欢就支持一下吧
评论 抢沙发

请登录后发表评论

    请登录后查看评论内容