Akai-AJ-360-维修电器原理图手册

Akai-AJ-360-维修电器原理图手册-找手册网
Akai-AJ-360-维修电器原理图手册
此内容为付费资源,请付费后查看
1921
立即购买
您当前未登录!建议登陆后购买,可保存购买订单
付费资源

第1页 / 共2页

第2页 / 共2页
已完成全部阅读,共2
THE END
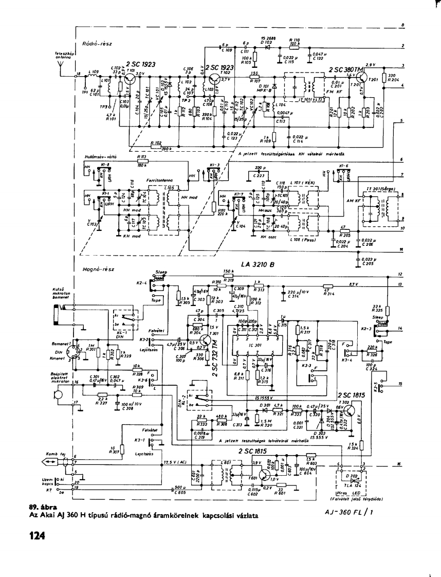
Rodo-resz5"9c2SC1923T0%"2.9C102341093862 SC 380TM15033062R 107LR206T20及komFM KF030.0wT82113013腹982Q0047幼魄限圈cR流AP要Hulkimsav-valloR 13es心W作gertikek KH vetelnil merhetdkBO A-6FerritantenncC IE L 1071 KEK)IT 201fSdrpa)HH modKI-7AM KFHH med1器LA 3210 B18Mogno-reszR30R3KufsG10R万303/vho9aG305的路75I5 V23DIN3-2423c301DIN13298370KJ-6 C18830985555T72SC1815R3771000Vr2「be01时4700数Q7/25V80h32万R89总的」0303-1oC3915555yAA972SC181517.5 V(AC)6K7 be5C505R品,Piros LED89.abraAz Akai Al 360 H tipusu radio-magn6 aramkoreinek kapcsolasi vazlataAJ-360FL/1124
喜欢就支持一下吧
评论 抢沙发

请登录后发表评论

    请登录后查看评论内容