Akai-AJC-2500-维修电器原理图手册

Akai-AJC-2500-维修电器原理图手册-找手册网
Akai-AJC-2500-维修电器原理图手册
此内容为付费资源,请付费后查看
1921
立即购买
您当前未登录!建议登陆后购买,可保存购买订单
付费资源

第1页 / 共38页

第2页 / 共38页

第3页 / 共38页

第4页 / 共38页

第5页 / 共38页

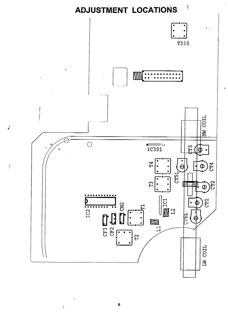
第6页 / 共38页

第7页 / 共38页

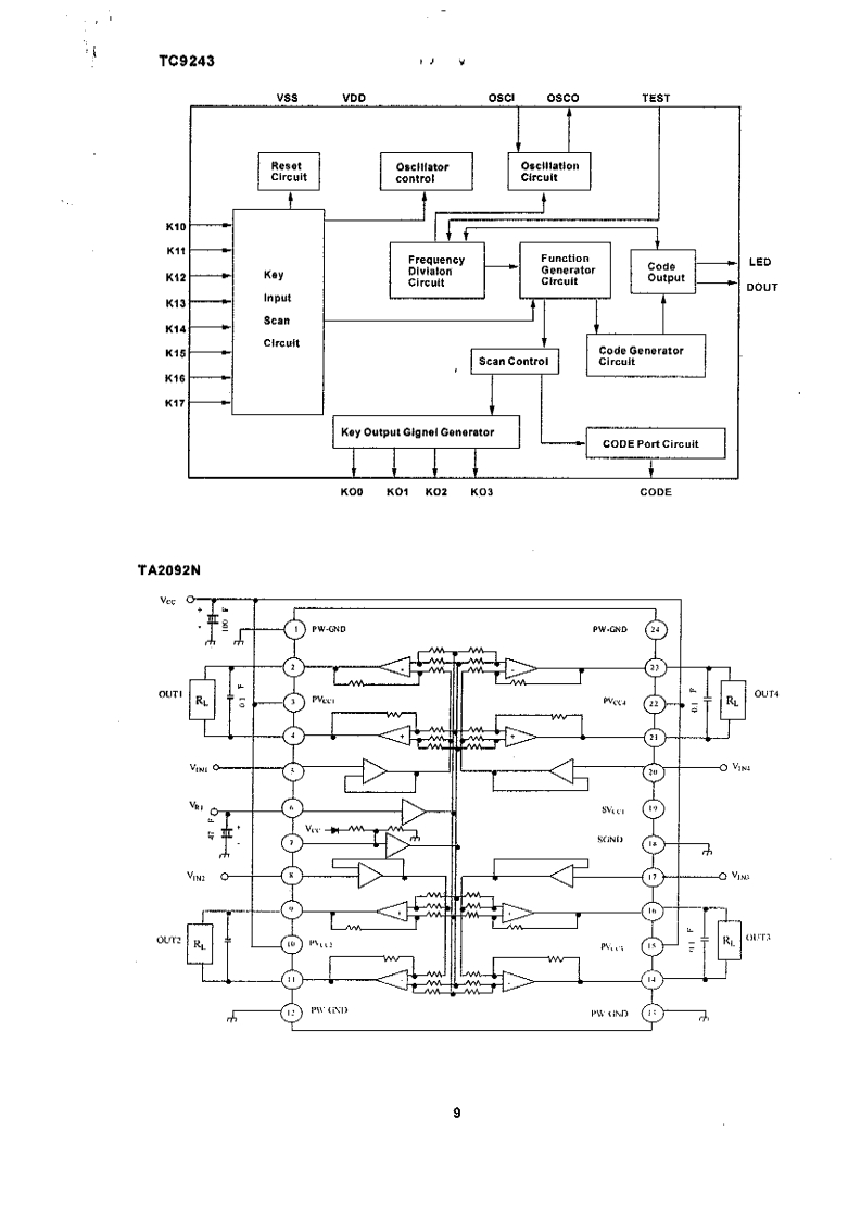
第8页 / 共38页

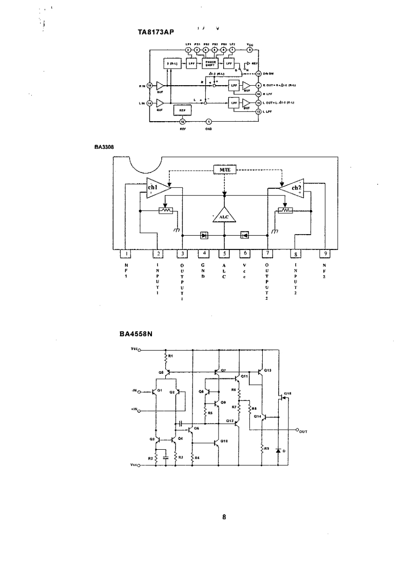
第9页 / 共38页

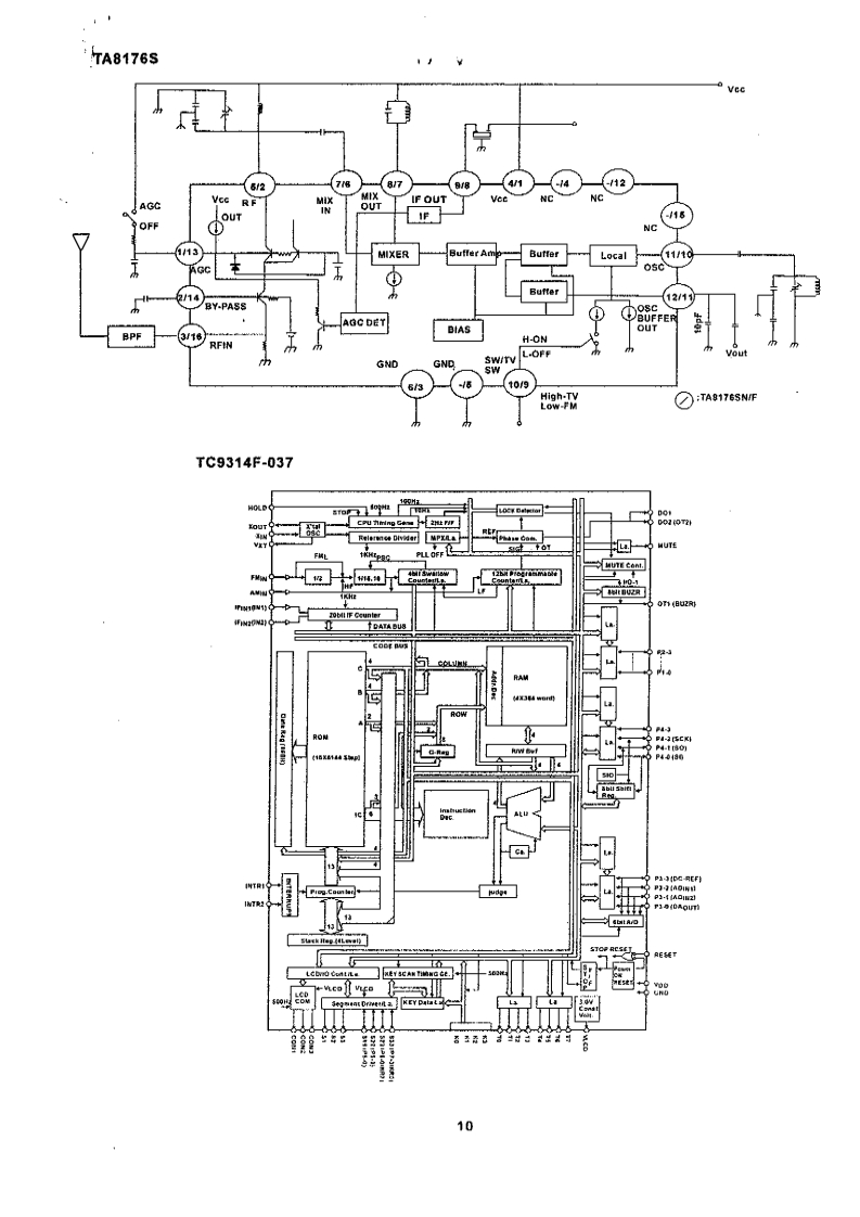
第10页 / 共38页
试读已结束,还剩28页,您可下载完整版后进行离线阅读
THE END
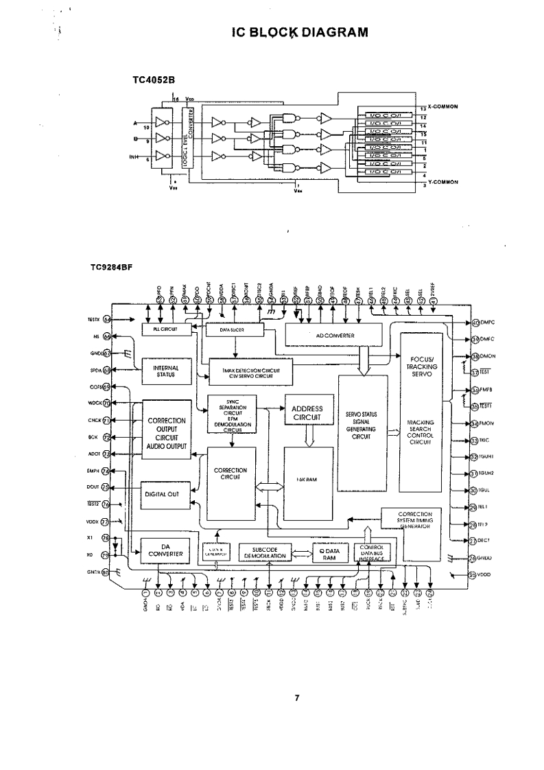
AKAIMODELSERVICE MANUALAJ-C2500CAUTION:Before servicing the chassis,read the "Important Service safety Information"section on page 2 of this manual.PORTABLE MW/FM/LW RADIO WITH CASSETTE RECORDERSPECIFICATIONSCONTENTSAM/FM TUNER SECTIONAM:FERRITE BARANTENNA SYSTEMFM:TELESCOPICIMPORTANT SERVICE SAFETY INFORMATION-2DISASSEMBLY INSTRUCTIONS-·---=--·3TUNING RANGEAM:515~1650KHzFM:87.35-108.25MHzALIGNMENT PROCEDURES --------4-5INTERMEDIATE FREQUENCY AM:465KHz +/-1KHzADJUSTMENT LOCATIONS6FM:10.7MHz +0.1MHzIC BLOCK DIAGRAM -----…712AUDIO SECTIONBLOCK DIAGRAM-----13SPEAKER IMPEDANCE8 ohmWIRING DIAGRAM --14GENERAL14WPRINTED CIRCUIT BOARDS -------15-24POWER INPUTAC 230V,50Hz DC 12VSCHEMATIC DIAGRAMS ---------25-29DIMENSIONS497(W0X234(H)X287(D)mmEXPLODED VIEW ---30EXPLODED VIEW PARTS LIST---------31REPLACEMENT PARTS LIST--------32-38SERVICE PUBLICATION
喜欢就支持一下吧
评论 抢沙发

请登录后发表评论

    请登录后查看评论内容