Akai-AM-32-维修电器原理图手册-C-Imp

Akai-AM-32-维修电器原理图手册-C-Imp-找手册网
Akai-AM-32-维修电器原理图手册-C-Imp
此内容为付费资源,请付费后查看
1921
立即购买
您当前未登录!建议登陆后购买,可保存购买订单
付费资源

第1页 / 共4页

第2页 / 共4页

第3页 / 共4页

第4页 / 共4页
已完成全部阅读,共4
THE END
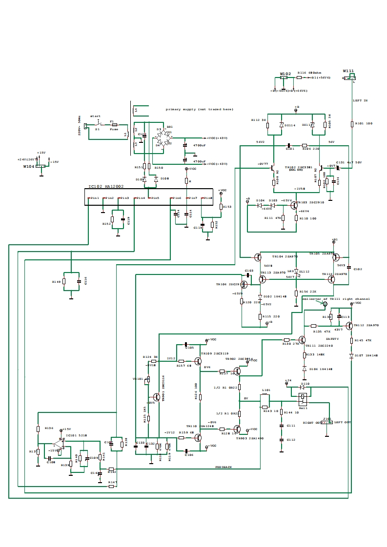
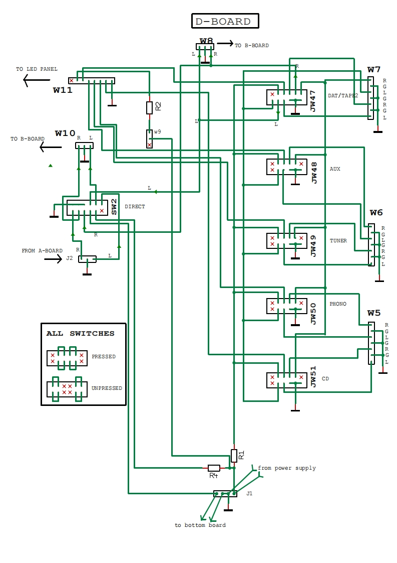
AKAI AM-32 (60W-channel)IMPORTANT this is not the original AKAI AM-32 schematic.I have copied this scheme,following the traces and solders of PCB board of the amplifier,when i repaired it.I don't guarantee that the whole scheme is exact and my instrument is not very precise,then IF YOU USE IT,YOU DOIT TOYOUR RISK.Also,the schematic is not complete,but include the following circuits:-left channel final amplifier(note that the right channel has the same component's name of left channelfinal power supply·safety circuitswitch board (D board)some components dataDo not include primary power supplyTraced by MPANTEC,with TARGET3001 FOR PCB POOL,
喜欢就支持一下吧
评论 抢沙发

请登录后发表评论

    请登录后查看评论内容