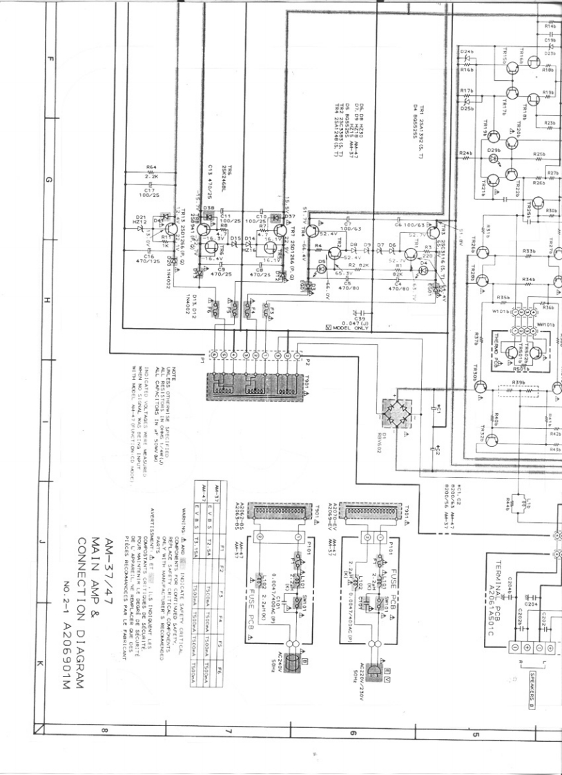
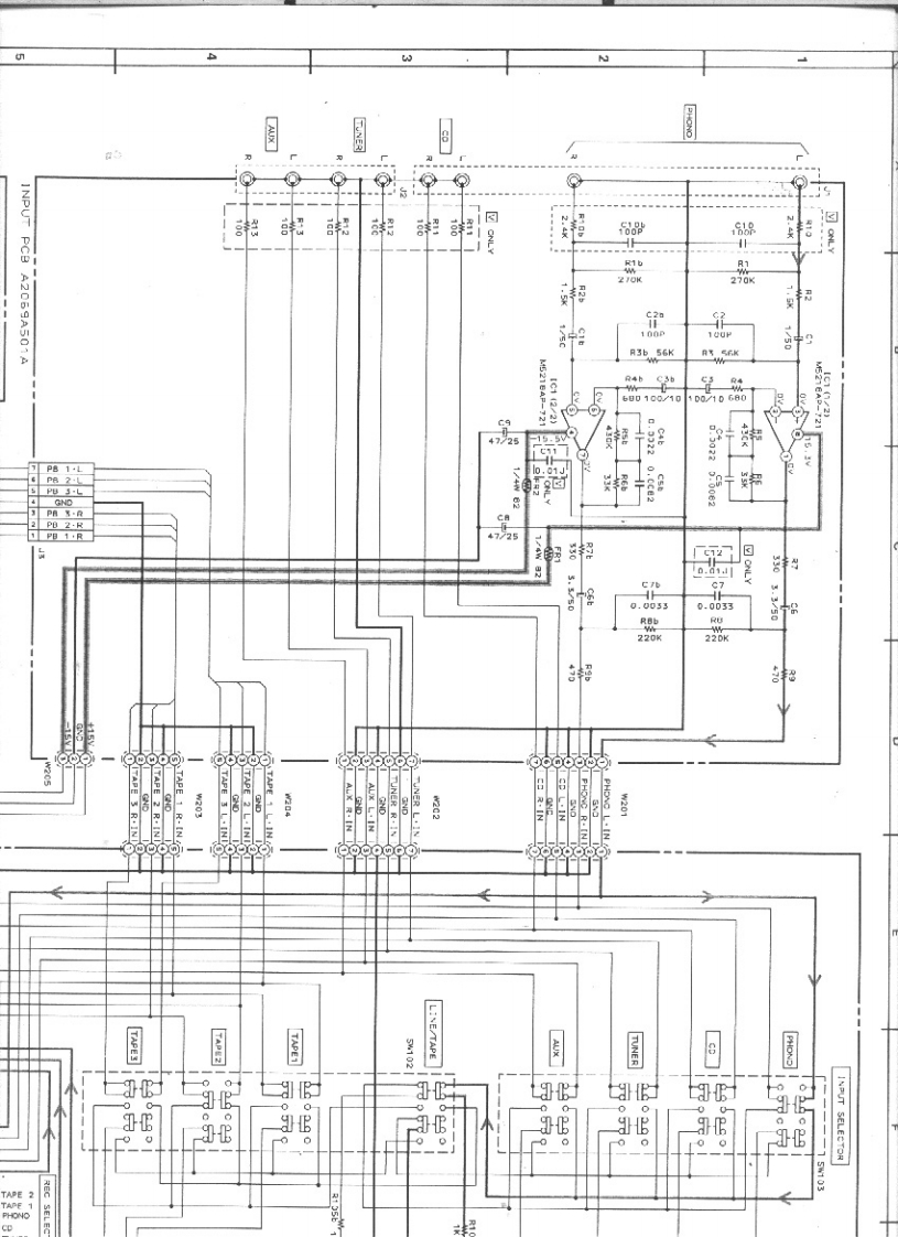
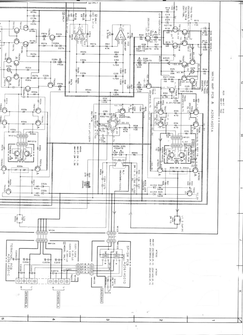
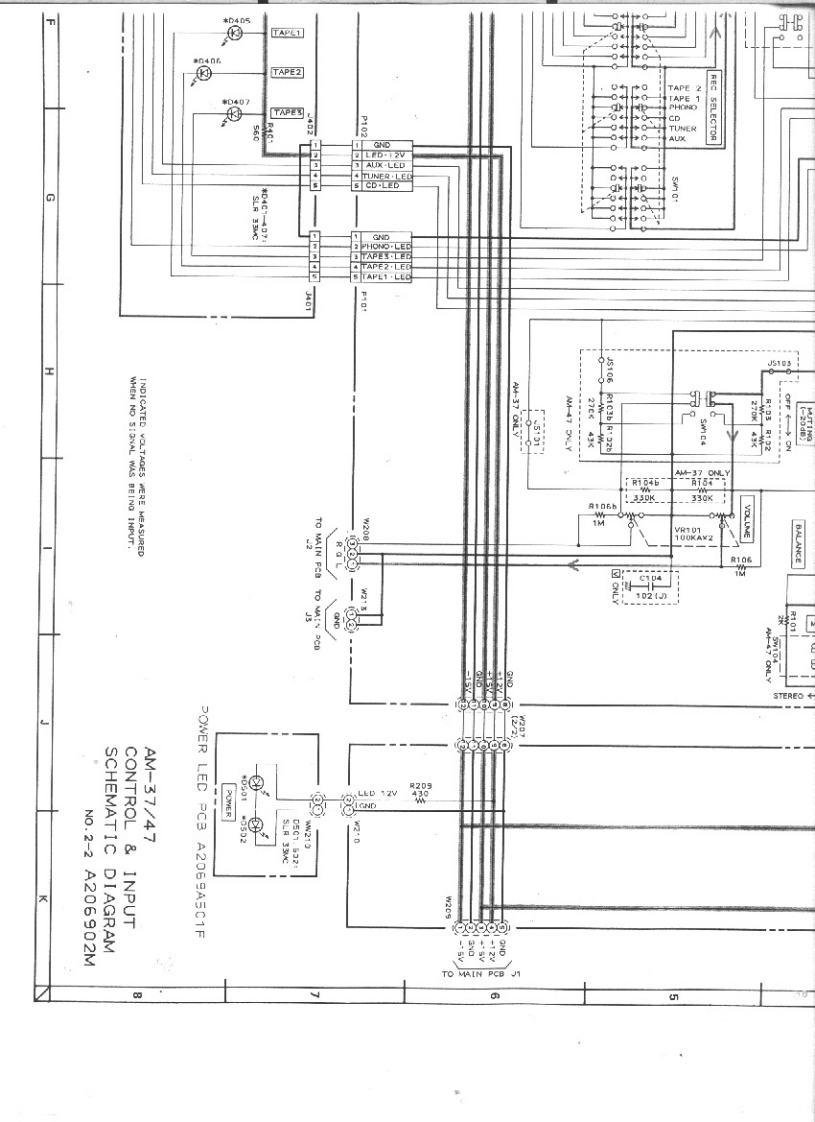
Akai-AM-37-维修电器原理图手册找手册网18小时前发布关注私信1.40MB6页037Akai-AM-37-维修电器原理图手册此内容为付费资源,请付费后查看¥19¥21黄金会员免费钻石会员免费立即购买您当前未登录!建议登陆后购买,可保存购买订单付费资源 第1页 / 共6页 第2页 / 共6页 第3页 / 共6页 第4页 / 共6页 第5页 / 共6页 第6页 / 共6页 已完成全部阅读,共6页 THE ENDAKAI 文本预览 切图圆INPUT PCB A2059A501A80H鼎st-27035660100/101D0/1D680©4725-15.5VPB1LSPB 3-L4PU 2.R47725厂25.5c0.00530.0D品TAPE 2·IN TTAPETAPE2 L-INI.ALX L.IN·IN OEPHONG L.INW201TAPESTAPE11.2L:NE/TAPETUNERPHONDB时BIBBB00000BBB000INPUT SELECTORTAPE 2 查看更多 收起部分 喜欢就支持一下吧收藏
请登录后查看评论内容