Akai-AMU330T-int-维修说明书手册含电器原理图

Akai-AMU330T-int-维修说明书手册含电器原理图-找手册网
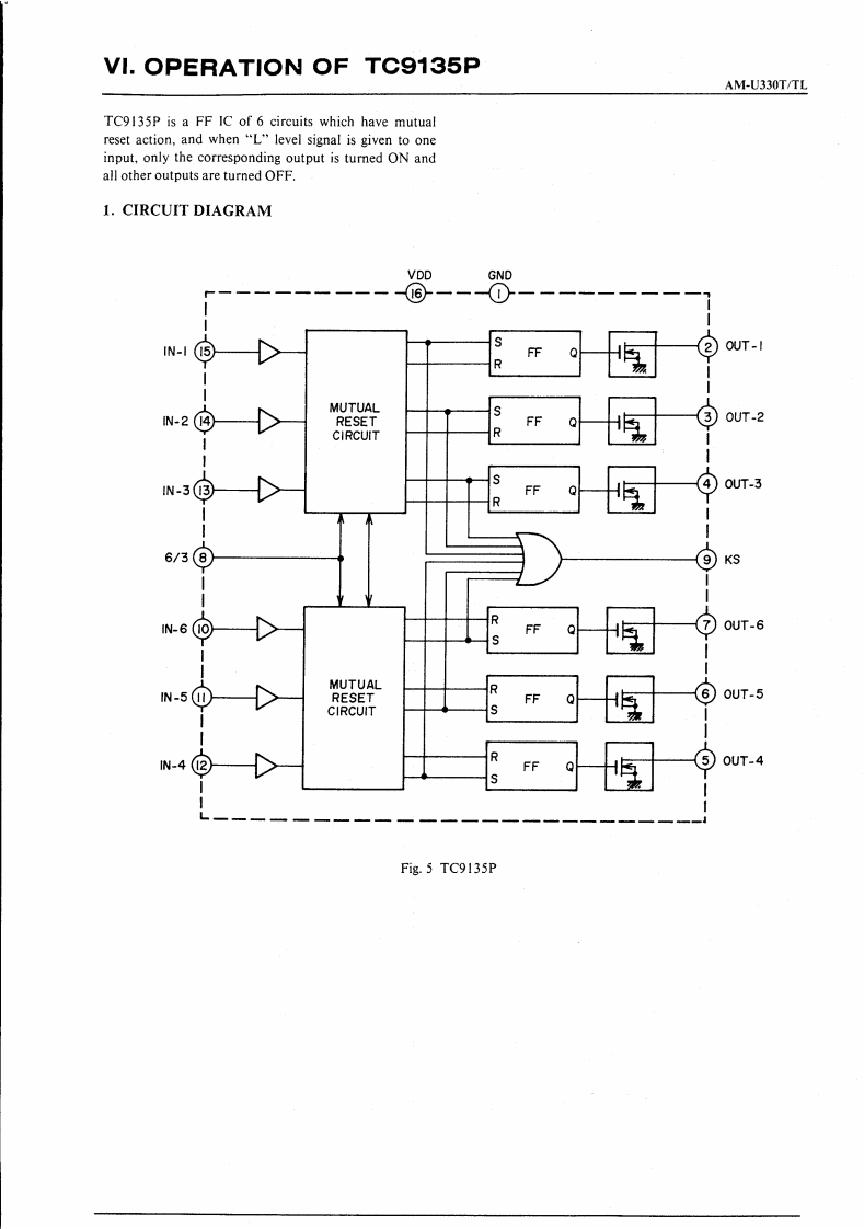
Akai-AMU330T-int-维修说明书手册含电器原理图
此内容为付费资源,请付费后查看
1921
立即购买
您当前未登录!建议登陆后购买,可保存购买订单
付费资源

第1页 / 共61页

第2页 / 共61页

第3页 / 共61页

第4页 / 共61页

第5页 / 共61页

第6页 / 共61页

第7页 / 共61页

第8页 / 共61页

第9页 / 共61页

第10页 / 共61页
试读已结束,还剩51页,您可下载完整版后进行离线阅读
THE END
AKAI SERVICE MANUALQO AUXAKAIAM-U330T/TLSTEREO INTEGRATED AMPLIFIERMODEL AM-U330T/TLREMOTE CONTROL UNITMODELRC-3033/L2d3过
喜欢就支持一下吧
评论 抢沙发

请登录后发表评论

    请登录后查看评论内容