Akai-AMU55-int-维修说明书手册含电器原理图

Akai-AMU55-int-维修说明书手册含电器原理图-找手册网
Akai-AMU55-int-维修说明书手册含电器原理图
此内容为付费资源,请付费后查看
1921
立即购买
您当前未登录!建议登陆后购买,可保存购买订单
付费资源

第1页 / 共80页

第2页 / 共80页

第3页 / 共80页

第4页 / 共80页

第5页 / 共80页

第6页 / 共80页

第7页 / 共80页

第8页 / 共80页

第9页 / 共80页

第10页 / 共80页
试读已结束,还剩70页,您可下载完整版后进行离线阅读
THE END
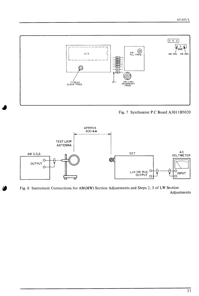
AKAI SERVICE MANUAL00ai00001江习i80001.©00δ507i00i00FM/AM QUARTZ SYNTHESIZER TUNERMODELAT-S55/LSTEREO INTEGRATED AMPLIFIERMODELAM-U55/J
喜欢就支持一下吧
评论 抢沙发

请登录后发表评论

    请登录后查看评论内容