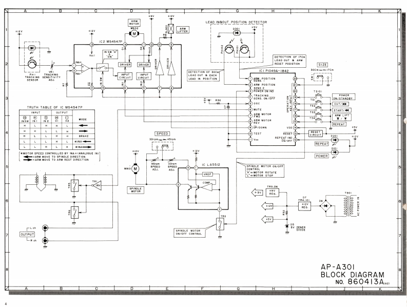
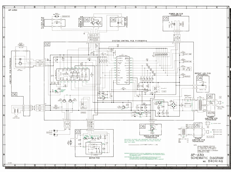
Akai-AP301-tt-电气原理图手册找手册网17小时前发布关注私信7.72MB4页025Akai-AP301-tt-电气原理图手册此内容为付费资源,请付费后查看¥19¥21黄金会员免费钻石会员免费立即购买您当前未登录!建议登陆后购买,可保存购买订单付费资源 第1页 / 共4页 第2页 / 共4页 第3页 / 共4页 第4页 / 共4页 已完成全部阅读,共4页 THE ENDAKAI 文本预览 AKAIMODEL AP-A301/CSCHEMATIC DIAGRAMAN▣PGB▣ARDG1.SCHEMATIC DIAGRAM...............22.FILTOR PCB,JUNCTION PCB,LED PCB,POSITION PCB,POWER PCB,REGULATOR PCB,REPEAT LED PCB,SYSTEM CONTROL PCB...............................33.BLOCK DIAGRAM.. 查看更多 收起部分 喜欢就支持一下吧收藏
请登录后查看评论内容