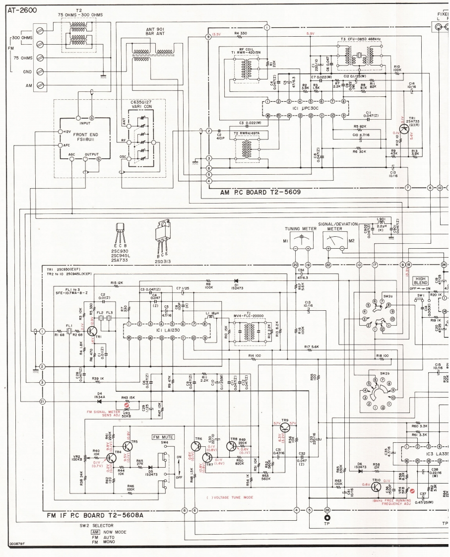
Akai-AT2600-tun-电气原理图手册找手册网13小时前发布关注私信12.96MB8页047Akai-AT2600-tun-电气原理图手册此内容为付费资源,请付费后查看¥19¥21黄金会员免费钻石会员免费立即购买您当前未登录!建议登陆后购买,可保存购买订单付费资源 第1页 / 共8页 第2页 / 共8页 第3页 / 共8页 第4页 / 共8页 第5页 / 共8页 第6页 / 共8页 第7页 / 共8页 第8页 / 共8页 已完成全部阅读,共8页 THE ENDAKAI 文本预览 MODEL AT-2600AKAI 查看更多 收起部分 喜欢就支持一下吧收藏
请登录后查看评论内容