

第1页 / 共13页

第2页 / 共13页

第3页 / 共13页

第4页 / 共13页

第5页 / 共13页

第6页 / 共13页

第7页 / 共13页

第8页 / 共13页

第9页 / 共13页

第10页 / 共13页
试读已结束,还剩3页,您可下载完整版后进行离线阅读
THE END
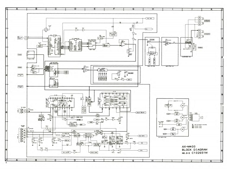
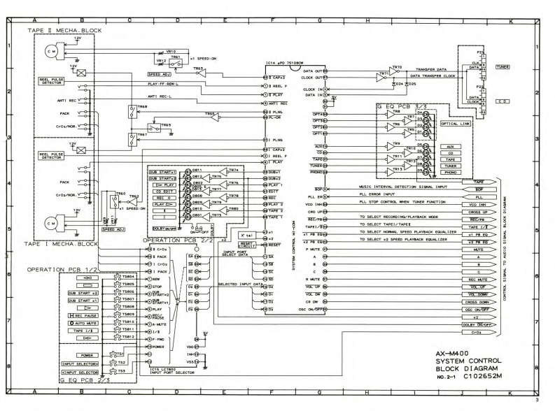
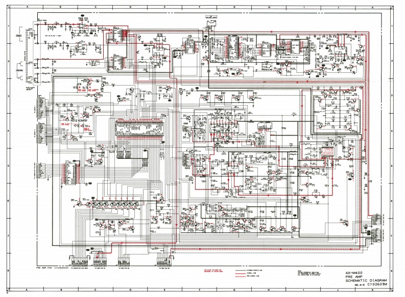
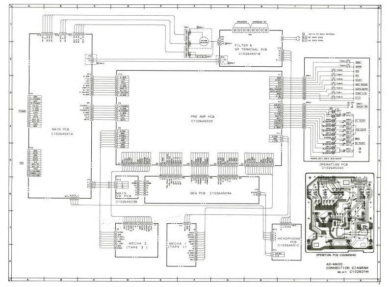
AKAIMODEL AX-M400SCHEMATIC DIAGRAMSAN▣PC BOARDSTABLE OF CONTENTS1.SYSTEM CONTROL BLOCK DIAGRAM32.BLOCK DIAGRAM ............43.CONNECTION DIAGRAM .........54.MAIN SCHEMATIC DIAGRAM ....65.MAIN AND OTHER PC BOARDS76.PRE AMP SCHEMATIC DIAGRAM...87.PRE AMP PCB .............98.GEQ SCHEMATIC DIAGRAM ....109.GEQ AND OTHER PC BOARDS1110.INFORMATIONOFICs........12
请登录后查看评论内容