

第1页 / 共27页

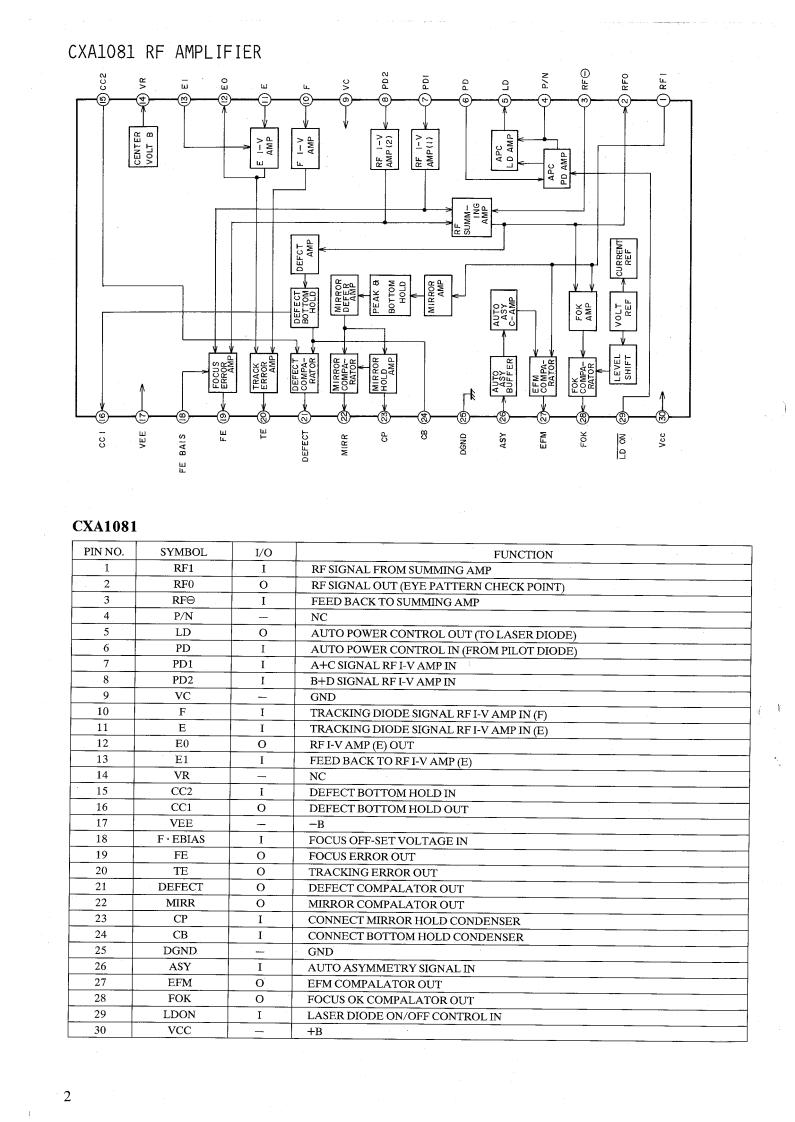
第2页 / 共27页

第3页 / 共27页

第4页 / 共27页

第5页 / 共27页

第6页 / 共27页

第7页 / 共27页

第8页 / 共27页

第9页 / 共27页

第10页 / 共27页
试读已结束,还剩17页,您可下载完整版后进行离线阅读
THE END
AKAI SERVICE MAnUALAKAI当当说88t8888哑COMPACT DISC PLAYERMODELCD-32d5起DIGITAL AUDIOSPECIFICATIONSSystem...................................Compact disc playerPick-up system.…3 beam Laser pick upSampling frequency ......................44.1 kHzDigital filter.…16 bit,2 times over samplingD/A converter ...........................16 bit linearError correction system ..................Cross Interleave Reed SolomonNumber of channels.......................2 channels(Stereo)Frequency response.......................5Hzto20kHz±0.5dBDynamic range............................90 dB or moreS/N…98 dB or moreTotal harmonic distortion...............0.005%or lessWow Flutter............................Less than measurable limitsAnalogue output level..........2V(0 dB)Digital output level/Impedance...........0.5 Vp-p/75 ohmsHeadphone output level/Impedance.......28 mW/32 ohmsPower requirements ......................120 V.60 Hz for USA and Canada220 V,50 Hz for Europe except UK240 V,50 Hz for UK and Australia110 V-120 V/220 V-240 V,50 Hz/60 Hz convertible for other countriesDimensions.............................425(W×98(H)×330(D)mm(16.7×3.9×13.0 inches)Weight..…4.3kg(9.5b)For improvement purposes,specifications and design are subject to change without notice.
请登录后查看评论内容